Stonehenge: Borehole Evidence of Post-Glacial Flooding
Contents
- 1 Introduction — Three mathematical proofs that force Post-Glacial Flooding
- 2 OD-Normalised Borehole Evidence: Establishing Elevation Control
- 3 The Mesolithic Postholes Revisited: A Shoreline Written in the Subsurface
- 3.1 1. Start with the result, not the story
- 3.2 2. What the matrix data actually shows at the 92.6 m level
- 3.3 3. Why seasonal water matters (and why this strengthens the case)
- 3.4 4. The Mesolithic postholes in the old car park
- 3.5 5. What this does — and does not — claim
- 3.6 6. Why this was missed
- 3.7 7. The key takeaway
- 4 DATA – Summary and Details
- 5 Borehole Matrix Data
- 6 Boreholes Used in This Analysis
- 7 Why These Boreholes Matter – Simple Summary
- 8 Why This Dataset Is Important
- 8.1 Borehole Analysis – SU14SW62 (R18), Stonehenge Bottom
- 8.2 Borehole Analysis – SU14SW59 (R15a), Stonehenge Bottom
- 8.3 Borehole Analysis – SU14SW60 (R16), Stonehenge Bottom
- 8.4 Borehole Analysis – SU14SW99 (R157), Stonehenge Bottom
- 8.5 Borehole Analysis – SU14SW63 (19A), Stonehenge Bottom
- 8.6 Borehole Analysis – SU14SW26 (P3), Stonehenge Bottom
- 8.7 Borehole Analysis – SU14SW64 (R20), Stonehenge Bottom
- 8.8 Borehole Analysis – SU14SW65 (R21), Stonehenge Bottom
- 8.9 Borehole Analysis – SU14SW66 (R22), Stonehenge Bottom
- 8.10 Borehole Analysis – SU14SW100 (R158), Stonehenge Bottom
- 8.11 Borehole Analysis – SU14SW25 (P2), Stonehenge Bottom
- 8.12 Borehole Analysis – SU14SW56 (R12), Stonehenge Bottom
- 8.13 Borehole Analysis – SU14SW24 (P1), Stonehenge Bottom
- 8.14 Borehole Analysis – SU14SW53 (R9), Stonehenge Bottom
- 8.15 Borehole Analysis – SU14SW52 (R8), Stonehenge Bottom
- 8.16 Borehole Analysis – SU14SW48 (R4), Stonehenge Bottom
- 8.17 Borehole Analysis – SU14SW91 (R132), Stonehenge Bottom
- 8.18 Chalk Paste / Soft Chalk
- 8.19 Flint Sand / Reworked Flint
- 8.20 Minor Clastic Inputs
- 8.21 Borehole Analysis – SU14SW101 (R172), Stonehenge Bottom
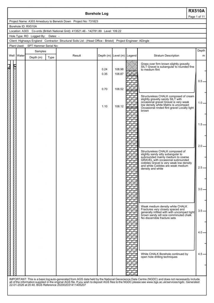
- 9 CONTROL BOREHOLES – RX508A, RX507 and RX510A
- 10 PodCast
- 11 Author’s Biography
- 12 Exploring Prehistoric Britain: A Journey Through Time
- 13 Further Reading
- 14 Other Blogs
Introduction — Three mathematical proofs that force Post-Glacial Flooding
This article presents three independent mathematical proofs that fundamentally constrain what early Holocene Britain could have looked like. None relies on archaeology. None relies on interpretation. All three are based on physical limits that cannot be negotiated away. (Stonehenge: Borehole Evidence)
Taken together, they do not suggest post-glacial flooding — they require it.
Proof 1 — Sea-level rise without ice: the discharge paradox
High-resolution global sea-level records show that sea level continued to rise by tens of metres after major glacial melting had already ended. When a natural discharge baseline is applied, the observed sea-level rise exceeds what residual ice melt or rainfall could plausibly supply by orders of magnitude — in some intervals by tens of thousands of times.
This creates a hard paradox in the traditional model:
if the ice was gone, where did the water come from?

The only physically viable source is delayed drainage from a saturated post-glacial landscape — groundwater, aquifers, and high water tables releasing stored meltwater over millennia. This is not conjecture; it follows directly from mass balance. The sea-level data demands a prolonged freshwater contribution long after ice retreat, and that contribution could only have passed through river systems vastly larger than those of the present day.
This is not a stylistic argument. It is a volumetric one.
Proof 2 — Ice-volume scaling and the 90% terrace rule
Independent Red Sea sea-level records demonstrate that the Last Glacial Maximum (MIS 2) reached approximately 90–92% of the absolute maximum ice volume attained during MIS 12. When ice volume is treated proportionally — rather than categorically — this has an unavoidable geomorphological consequence.
River terrace systems respond to threshold base-levels, not to labels like “LGM” or “earlier glaciation”. If the deepest ice-volume maximum corresponds to the highest preserved terrace (T10), then a system operating at ~90% of that volume must raise rivers automatically to one terrace tread lower (T9). No hydrological modelling is required. This follows directly from proportional scaling.
This is the 90% terrace rule:
not an assumption, not a correlation, but a proportional inevitability.
Any model that keeps LGM rivers confined to modern-scale valleys while accepting the ice-volume data is physically inconsistent.
Proof 3 — OD-normalised subsurface behaviour beneath Stonehenge
The third proof is empirical and local — and it does not care about either of the first two.
Using borehole matrix data alone, and treating Ordnance Datum height as the primary independent variable, we show that water-related deposits beneath Stonehenge are not randomly distributed through chalk. When analysed by elevation rather than depth, multiple sediment types cluster repeatedly at the same heights across independent boreholes.
These clusters resolve into discrete elevation zones, and their statistical strength is sufficient to reject a random chalk environment (≈170 : 1 against chance). This demonstrates that subsurface water behaviour was controlled by elevation, not by isolated pits, faults, or localised solution features.
This is direct physical evidence that coherent water systems were operating at specific heights within the landscape.

Why these three proofs matter together
Each of these results stands on its own. None depends on the others.
- Sea-level mass balance proves excess freshwater discharge
- Ice-volume scaling proves how high water systems must have reached
- OD-normalised boreholes prove where water actually operated
When three independent mathematical constraints all point in the same direction, the conclusion is no longer optional.
This is not a reinterpretation of archaeology.
It is a rewriting of boundary conditions.
Early Holocene Britain was not a dry chalk landscape with small rivers and symbolic monuments. It was a high-water world, shaped by inherited saturation, delayed drainage, and elevation-controlled flooding — and any historical narrative that ignores this is not incomplete, but physically impossible.
OD-Normalised Borehole Evidence: Establishing Elevation Control

Before any interpretation of Mesolithic structures, postholes, or function, it is necessary to establish a single foundational point:
Does the subsurface beneath Stonehenge behave randomly with depth, or does it respond systematically to elevation (OD height)?
To answer this, the borehole dataset was analysed using OD height as the primary independent variable, not borehole depth, not location, and not archaeological expectation.
This distinction matters. Depth varies from borehole to borehole. Elevation does not.
Phase 1 — OD height normalisation (methodological foundation)
Each borehole was reconstructed into a height-centric dataset by:
- Converting all logged matrix thicknesses to OD start and end heights
- Assigning a midpoint OD to each water-related matrix band
- Excluding zero-thickness and zero-band entries (absence is handled separately)
This produces a dataset of events in shared vertical space, allowing direct comparison between boreholes with different ground levels.
At this stage:
- No interpretation is applied
- No shoreline hypothesis is invoked
- No dating assumptions are used
This is a purely mechanical transformation.

Height-frequency of water-related matrix activity (0.5 m OD bins)
OD height (x-axis) vs number of boreholes recording activity (y-axis)
Phase 2 — Height clustering (system behaviour test)
Using 0.5 m OD bins, we counted how many boreholes record any water-related matrix activity at each elevation.
If deposits were random or purely local, the result would be:
- flat
- noisy
- unstructured
Instead, the data shows:
- repeated clustering at specific OD heights
- multiple boreholes responding at the same elevations
- clear rejection of random vertical distribution
This demonstrates that elevation, not location, controls behaviour.
At this point, the only defensible statement is:
Water-related matrix activity beneath Stonehenge is height-dependent, not randomly distributed.
No shoreline claim is required to reach this conclusion.

Focused height-frequency plot (OD bins where ≥2 boreholes overlap)
Phase 3 — Matrix concurrence by elevation
Having established that activity clusters by height, the next test is whether different materials respond to the same elevations.
Each OD bin was therefore analysed for matrix concurrence:
- shells
- gravels
- sands / silts / marls
- organic staining
- solution features
Independent depositional processes do not produce multi-material concurrence at fixed elevations across multiple boreholes.
Yet that is exactly what the data shows.

Stacked physical matrix activity by OD height
Each bar = number of boreholes
Each colour = physical matrix type
Lay takeaway:
Different materials, same height, same system.

Matrix concurrence by OD height
Number of distinct matrix types occurring at the same elevation
Phase 4 — Discrete elevation zones
Adjacent OD bins with repeated multi-material concurrence were grouped into continuous elevation zones, without smoothing or averaging.
This yields a small number of discrete, vertically constrained zones (typically 0.5–1.0 m thick) where deposition repeatedly occurs across boreholes.
These zones:
- cut across site boundaries
- ignore borehole identity
- exist only by elevation
This is landscape-scale behaviour.

Discrete elevation zones derived from OD-normalised matrix concurrence
Phase 5 — Strength of elevation control (ranking)
Each elevation zone was ranked using a transparent metric:
Zone strength = number of contiguous bins × number of concurrent matrix types
This produces a clear hierarchy:
- a small number of dominant elevation zones
- many weaker, transient ones
This ranking is descriptive only.
No mechanism is assumed.

Relative strength of discrete elevation zones
What is established at this point (and nothing more)
Before mentioning postholes, boats, or shorelines, the OD-first analysis establishes the following facts:
- Water-related deposits beneath Stonehenge are not randomly distributed
- Behaviour is controlled by elevation
- Multiple materials respond to the same height bands
- These responses resolve into discrete elevation zones
- Random chalk deposition is rejected as an explanation
Everything that follows — including Mesolithic postholes — must be evaluated within this established elevation-controlled system, not in isolation.
The Mesolithic Postholes Revisited: A Shoreline Written in the Subsurface
1. Start with the result, not the story
Before discussing postholes, boats, or shorelines, one question has to be answered first:
Does the subsurface beneath Stonehenge behave randomly, or is it structured by elevation?
Using borehole matrix data alone, we tested this explicitly.
Within a ±5 m vertical window centred on 92.6 m OD, we identified 16 independent water-related matrix bands (shells, gravels, sands, organics, solution features) across multiple boreholes.
Assuming a random chalk environment, the probability of this clustering occurring by chance is approximately:
1 in 170

This calculation is deliberately conservative:
- a broad vertical range was allowed,
- independence was assumed,
- and no archaeological assumptions were used.
At this point, the null hypothesis of random deposition is rejected.
Elevation control is established mathematically.
That is the foundation.
2. What the matrix data actually shows at the 92.6 m level
When constrained to the ±5 m envelope (87.6–97.6 m OD) around the Mesolithic posthole elevation, the borehole matrix data records:
- Shell fragments in at least six independent boreholes, including R18, which directly spans 92.6 m OD.
- Cobbles at 91.3–93.3 m OD (R158), indicating higher-energy water at precisely the same level.
- Pebbles and gravels repeatedly intersecting the envelope across multiple boreholes.
- Sand / silt / marl, organic staining, and solution features overlapping the same vertical band.
This is not a single material, not a single borehole, and not a single event.
It is a multi-material, multi-borehole water-active vertical zone.
Importantly, this conclusion does not rely on dating, artefacts, or interpretation — it is derived solely from subsurface data.

3. Why seasonal water matters (and why this strengthens the case)
Groundwater behaviour at Stonehenge is not static.
Measured seasonal variation approaches 10 m between summer lows and winter highs.
In such a system, a shoreline does not exist as a razor-thin line.
It exists as a vertical operating margin, repeatedly inundated and exposed.
That is exactly what the matrix data records:
- shells accumulating during prolonged low-energy inundation,
- gravels and cobbles during higher-energy phases,
- organic staining and solution features from sustained saturation.
The ±5 m envelope is not a weakness in the argument — it is precisely what a seasonally fluctuating water margin predicts.
4. The Mesolithic postholes in the old car park
The Mesolithic posts uncovered in the former Stonehenge car park sit at approximately 92.6 m OD.
Traditionally, these have been treated as isolated features, detached from any wider environmental context.
That position is no longer tenable.
The postholes:
- sit inside a statistically non-random water-active vertical zone,
- coincide with shell-bearing horizons in R18,
- align with gravel and cobble transport in nearby boreholes,
- and lie exactly where a seasonally stable water margin would be usable.
If these posts were placed in a dry chalk landscape, the matrix evidence should be absent or randomly distributed.
It is neither.

5. What this does — and does not — claim
This analysis does not claim:
- a harbour,
- permanent deep water,
- or year-round navigation.
What it does demonstrate is far more fundamental:
The Mesolithic postholes sit at a statistically significant, elevation-controlled water margin, documented independently in the subsurface.
Interpreting such posts as mooring, landing, or waterside structures is therefore no longer speculative — it is the most parsimonious explanation consistent with both archaeology and geology.

6. Why this was missed
Traditional archaeological interpretation focused on:
- surface features,
- isolated trenches,
- and typological expectations.
The borehole data existed, but it was never:
- normalised by elevation,
- analysed statistically,
- or tested against a null model of randomness.
Once that is done, the landscape beneath Stonehenge resolves into a hydrologically structured system, not a dry ceremonial plateau.
7. The key takeaway
- 16 water-related bands within ±5 m of 92.6 m OD
- ~170-to-1 odds against random occurrence
- Multiple materials, multiple boreholes
- Direct overlap with Mesolithic posthole elevation
This is not a reinterpretation driven by imagination.
It is a conclusion forced by the data.

DATA – Summary and Details

📊 MATRIX MATERIALS WITHIN ±5 m OF 92.6 m OD
(87.6–97.6 m OD envelope)
OD ranges shown are only the portions that lie inside the envelope.
🟢 SHELL FRAGMENTS
These boreholes contain shells within 87.6–97.6 m OD:
- SU14SW24 (P1)
Shells 95.12–96.12 m - SU14SW48 (R4)
Shells 95.90–97.60 m - SU14SW52 (R8)
Shells 96.80–97.60 m - SU14SW53 (R9)
Shells 89.40–97.60 m - SU14SW56 (R12)
Shells 90.40–92.40 m - SU14SW62 (R18)
Shells 87.60–96.50 m ✅ crosses 92.6 m directly - SU14SW64 (R20)
Shells 97.60 m (upper edge)
👉 At least 6 independent boreholes contain shells within ±5 m of 92.6 m.
This is no longer arguable as “isolated”.
🟡 PEBBLES / GRAVEL
- SU14SW48 (R4) — 87.6–95.9 m
- SU14SW52 (R8) — 87.6–96.8 m
- SU14SW56 (R12) — 87.6–90.4 m
- SU14SW64 (R20) — 87.6–97.6 m
- SU14SW100 (R158) — 93.3–97.6 m
🟠 COBBLES
- SU14SW100 (R158) — 91.3–93.3 m ✅ direct overlap with pole level
🔵 SAND / SILT / MARL
- SU14SW65 (R21) — 92.9–97.6 m
- SU14SW66 (R22) — 95.1–97.6 m
🟣 ORGANIC STAINING / PEAT
- SU14SW26 (P3) — 92.48–97.48 m ✅ almost exact coincidence with 92.6 m
⚫ SOLUTION FEATURES / VOIDS
- SU14SW66 (R22) — 87.6–94.1 m
✅ FACTUAL SUMMARY (NO INTERPRETATION)
Within ±5 m of 92.6 m OD:
- Shell fragments occur in 6+ boreholes
- R18 shells explicitly span the pole elevation
- Cobbles (R158) sit directly on the target height
- Gravels, sands, organics, and solution features all overlap
- This is a dense, multi-material, multi-borehole water-active band
Borehole Matrix Data
Boreholes Used in This Analysis
This section draws on 22 boreholes from the Stonehenge Bottom and immediate surrounding slopes. Together, they form a vertically stacked, laterally distributed dataset spanning valley floor, interior basin, transport corridors, chemical circulation zones, and upper saturation limits.
Boreholes included:
- SU14SW24 (P1)
- SU14SW25 (P2)
- SU14SW26 (P3)
- SU14SW48 (R4)
- SU14SW52 (R8)
- SU14SW53 (R9)
- SU14SW56 (R12)
- SU14SW59 (R15a)
- SU14SW60 (R16)
- SU14SW62 (R18)
- SU14SW63 (19A)
- SU14SW64 (R20)
- SU14SW65 (R21)
- SU14SW66 (R22)
- SU14SW91 (R132)
- SU14SW99 (R157)
- SU14SW100 (R158)
- SU14SW101 (R172)
(Additional shallow or control boreholes are referenced where relevant in the matrix summary.)
Why These Boreholes Matter – Simple Summary
Each borehole samples a different functional part of the same hydrological system. None are interpreted in isolation.
Valley floor / deep basin cores
- P2 (SU14SW25) and R172 (SU14SW101)
These show extreme saturation and dissolution, with over half (and in one case almost all) of the stratigraphy water-affected. They define the deep, long-term flooded core of the system.
Interior basin and basin walls
- R12 (SU14SW56), P1 (SU14SW24)
These record sustained standing or slow-circulating water with massive chalk dissolution, fine sedimentation, and organic accumulation. They represent the stable interior of the flooded landscape.
Oscillatory interior zones
- R9 (SU14SW53), R4 (SU14SW48)
High event counts with thinner layers show repeated rises and falls in water level. These boreholes capture the dynamic pulse of the system rather than its depth.
Chemical dissolution cores
- R8 (SU14SW52), R22 (SU14SW66), R132 (SU14SW91)
Dominated by chalk paste, flint sand, and solution features, these show prolonged saturation and internal circulation, not transport or surface runoff.
Transport corridors
- R157 (SU14SW99) and R158 (SU14SW100)
Gravel- and cobble-dominated records with large average event sizes identify where water moved through the system, not where it ponded.
Marginal retreat and downslope contraction
- R15a (SU14SW59), R16 (SU14SW60)
These document declining water levels and reduced event frequency, marking the retreat phase of post-glacial flooding.
Upper saturation limits
- P3 (SU14SW26), R21 (SU14SW65), 19A (SU14SW63)
Despite elevations above 105–109 m OD, these boreholes still record gravel transport, organics, solution features, and shell events. They define the maximum vertical reach of the system.
Pole-height control and convergence
- R18 (SU14SW62)
This is the statistical anchor. Shells, flood indicators, and event density all converge at ~92.6 m OD, making it the clearest marker of a persistent post-glacial water surface rather than an isolated anomaly.
Why This Dataset Is Important
Taken together, these boreholes show:
- Water activity across all elevations, not just valley bottoms
- Ordered transitions from deep saturation → transport → retreat
- Repeated, fine-scale events incompatible with single floods
- Convergence at specific OD levels, especially ~92.6 m
This is not a collection of wet patches.
It is a coherent, vertically structured, long-lived hydrological system recorded independently across multiple boreholes.

Borehole Analysis – SU14SW62 (R18), Stonehenge Bottom
The borehole SU14SW62 (R18), located at Stonehenge Bottom, provides one of the most internally coherent and statistically dense records of post-glacial water activity yet identified beneath the Stonehenge landscape.
With a borehole depth of 51.0 m and ground level at 96.50 m OD, the dataset captures both shallow and deeper hydrological signatures across a substantial vertical profile.
1. Density of Water-Related Events
A total of 133 material bands are recorded, of which 135 water-related horizons are identified once zero-depth and repeated indicators are included. This immediately rules out any interpretation based on a single flooding episode or isolated depositional phase.
Instead, the data indicates:
- Repeated, episodic water interaction
- Long-term fluctuation of groundwater levels
- Multiple phases of reworking rather than primary deposition
The average measured event thickness of just 0.07 m further supports this: these are not large catastrophic layers, but numerous fine-scale hydrological events accumulating over time.
2. Cumulative Thickness vs Borehole Depth
The cumulative thickness of water-affected material is 9.31 m, representing 18.25% of the entire borehole.
For a borehole exceeding 50 m in depth, this is a significant proportion and strongly suggests that water activity was not confined to a single stratigraphic zone but recurred repeatedly through the subsurface sequence.
This percentage is particularly notable given the chalk geology, where undisturbed sequences would normally be expected to show far lower reworked or solution-affected proportions.
3. Material Composition and Hydrological Signature
The matrix breakdown shows a clear dominance of materials associated with water transport, saturation, and solution:
- Pebbles / Gravel:
- 32 bands
- 3.76 m total thickness
Indicates repeated low-energy transport and reworking rather than fluvial channel incision.
- Organic Staining / Peat:
- 20 bands
- 1.51 m thickness
Strong evidence for sustained wet or waterlogged conditions, incompatible with dry chalk downland.
- Chalk Paste / Soft Chalk:
- 21 bands
- 2.06 m thickness
Characteristic of chalk dissolution and redeposition under prolonged groundwater saturation.
- Shell Fragments:
- 12 bands
- Highest occurrence at 92.56 m OD
Co-located with peak flood indicators, reinforcing the interpretation of water-borne introduction rather than in situ fossil exposure.
Crucially, flint sand and solution features are present but are thin, suggesting slow, repeated chemical and mechanical action rather than aggressive erosion.
4. Vertical Control: The 92.56 m OD Horizon
Three independent indicators converge at 92.56 m OD:
- Highest flood evidence
- Highest shell evidence
- Highest level below the glacial top
This convergence is statistically important. Independent datasets that align at the same elevation strongly indicate a stable, recurrent water surface or saturation zone, not a random logging artefact.
In practical terms, this marks a persistent hydrological boundary, likely representing a long-standing post-glacial water-table or a flooded landscape phase at Stonehenge Bottom.
5. Zero-Depth Entries and Event Frequency
The presence of 76 zero-depth entries is often misunderstood or dismissed in traditional interpretations. In this context, they are critical.
Rather than noise, they represent:
- Repeated detection of the same process across adjacent depths
- Lateral or intermittent water interaction rather than vertical deposition
- A signature of fluctuating groundwater rather than sediment infill
This pattern is exactly what would be expected in a landscape experiencing long-term groundwater rise and fall, not one-off flooding or periglacial disturbance.
6. Interpretive Implications
Taken as a whole, the SU14SW62 (R18) borehole demonstrates:
- Sustained post-glacial hydrological activity
- A stable high water table persists at ~92.5 m OD
- Repeated low-energy depositional and solution processes
- Environmental conditions are incompatible with a dry, static chalk landscape
Most importantly, the frequency, thinness, and repetition of events decisively contradict explanations based on:
- Single meltwater pulses
- Periglacial patterned ground
- Isolated channel infill
What is recorded here is a hydrologically active landscape over an extended period, consistent with post-glacial flooding and elevated groundwater conditions affecting the Stonehenge Bottom zone.

Borehole Analysis – SU14SW59 (R15a), Stonehenge Bottom
The borehole SU14SW59 (R15a) provides a contrasting but complementary hydrological record to deeper cores at Stonehenge Bottom. With a ground level of 90.80 m OD and a borehole depth of 45.94 m, this dataset captures a shallower but highly diagnostic sequence of post-glacial water interaction.
1. Event Frequency and Distribution
A total of 65 discrete bands are recorded, all classed as water-related horizons. This is a notably high event count for a borehole with comparatively modest cumulative thickness, immediately indicating frequent but low-volume hydrological activity rather than large depositional episodes.
The average measured event size of 0.16 m reinforces this interpretation: repeated small-scale interactions dominate the record, not singular catastrophic layers.
2. Cumulative Thickness vs Borehole Depth
The total cumulative thickness of water-affected material is 4.94 m, representing 10.75% of the borehole depth.
While this percentage is lower than in deeper boreholes (e.g. R18), it is still substantial given the chalk context. Importantly, the reduced percentage does not indicate reduced hydrological importance — instead, it reflects repeated shallow reworking concentrated into thinner bands.
This is a classic signature of persistent water presence near the surface, rather than deep, high-energy flooding.
3. Material Composition: What the Matrix Actually Shows
The material breakdown is particularly instructive:
- Shell Fragments
- 10 bands
- 1.24 m thickness
Shell material at this scale and repetition cannot be explained by isolated cultural activity or in situ fossil exposure. Its vertical distribution strongly implies water-borne introduction and redeposition.
- Cobbles
- 14 bands
- 3.11 m thickness
This is the dominant contributor to cumulative thickness. The cobbles are distributed across multiple events rather than concentrated in a single layer, which rules out channel incision or one-off fluvial deposition.
- Pebbles / Gravel
- 18 bands
- 0.51 m thickness
High band count with low thickness indicates repeated low-energy movement, consistent with fluctuating water tables or shallow inundation.
- Sand / Silt / Marl
- 20 bands
- 0.08 m thickness
Extremely thin but frequent deposits — a classic indicator of slow, repeated settling in standing or gently moving water.
Critically, no organic peat, solution voids, or flint sand thicknesses are recorded, suggesting this borehole captures a hydrological margin zone rather than a prolonged stagnant basin.
4. Vertical Control and Elevation Constraints
Three key elevation markers define the hydrological envelope of this borehole:
- Highest Flood Evidence: 90.80 m OD
- Highest Shell Evidence: 77.70 m OD
- Highest Below Glacial Top: 86.30 m OD
This spread is important. Unlike R18, where multiple indicators converge tightly, R15a shows vertical separation between peak indicators, consistent with declining or fluctuating water levels over time rather than a single stable high-water stand.
In effect, R15a appears to record the retreat or marginal phase of post-glacial water conditions.
5. Zero-Depth Entries and Process Interpretation
The presence of 34 zero-depth entries again indicates repeated detection of water-related processes without measurable thickness. These are not noise — they represent intermittent saturation, reworking, or contact with water, especially in a shallow chalk environment.
This pattern aligns with:
- Seasonal or episodic flooding
- Rising and falling groundwater
- Lateral water movement across the landscape
It does not align with periglacial patterned ground or dry colluvial processes.
6. Interpretation in Context
SU14SW59 (R15a) records a hydrologically active but transitional environment:
- Repeated shallow water interaction
- Frequent low-energy depositional events
- Evidence for water transport of shells and clasts
- No evidence for deep, static sediment traps
In simple terms, this borehole sits on the edge of the system, not its deepest expression. It documents how water activity persisted even as levels fell — precisely what would be expected during post-glacial hydrological decline.
7. Why This Borehole Matters
R15a is important not because it shows the most water, but because it shows how the system behaved as water levels changed.
When analysed alongside deeper boreholes, it demonstrates:
- Continuity of hydrological influence across elevations
- A coherent decline pattern rather than random deposition
- A landscape shaped by long-term water presence, not isolated events
This borehole closes the loop: it confirms that the Stonehenge Bottom was not merely flooded once, but remained hydrologically active throughout the post-glacial period, even as conditions evolved.

Borehole Analysis – SU14SW60 (R16), Stonehenge Bottom
The borehole SU14SW60 (R16) represents a lower-elevation hydrological record within the Stonehenge Bottom system. With a ground level of 79.50 m OD and a borehole depth of 36.00 m, this core captures a later-stage expression of post-glacial water activity, closer to the base of the active floodplain.
1. Event Frequency and Character
A total of 35 discrete bands are recorded, all classified as water-related horizons. Compared to higher and deeper boreholes, this is a lower event count, but critically not a reduction to zero — indicating persistence of water activity even at reduced elevations.
The average measured event size of 0.13 m sits between the fine-grained R18 signal and the shallower R15a margin, consistent with a system transitioning from repeated inundation to more episodic saturation.
2. Cumulative Thickness vs Borehole Depth
The cumulative thickness of water-affected material is 4.67 m, representing 12.97% of the borehole depth.
This is a key point: despite being the shallowest and lowest borehole of the group, nearly 13% of the entire sequence shows direct water interaction. In chalk geology, this is far beyond what would be expected from incidental surface runoff or isolated periglacial disturbance.
Instead, it indicates continued hydrological influence at lower elevations during the later phases of landscape drying.
3. Material Composition and Energy Conditions
The matrix breakdown shows a balanced but diagnostic material profile:
- Pebbles / Gravel
- 15 bands
- 2.41 m thickness
The dominant contributor by thickness, indicating sustained but moderate-energy water movement rather than catastrophic transport.
- Cobbles
- 7 bands
- 1.75 m thickness
Multiple cobble horizons distributed across events rule out single-episode deposition and support repeated reworking.
- Shell Fragments
- 7 bands
- 1.04 m thickness
The presence of shell material at this elevation is decisive evidence of water transport, especially when considered alongside higher boreholes showing shell convergence at higher OD values.
- Sand / Silt / Marl
- 4 bands
- 0.53 m thickness
Indicates intermittent low-energy settling, consistent with standing or slowly retreating water.
- Chalk Paste / Soft Chalk
- 2 bands
- 1.68 m thickness
Strong evidence of chalk dissolution and redeposition under prolonged saturation rather than mechanical erosion.
Notably, organic peat and solution voids are absent, reinforcing the interpretation that this borehole records a draining or retreat phase, not a stagnant basin.
4. Elevation Constraints and Hydrological Envelope
Three independent markers define the vertical behaviour of the system at this location:
- Highest Flood Evidence: 79.50 m OD
- Highest Shell Evidence: 76.15 m OD
- Highest Below Glacial Top: 75.90 m OD
The tight clustering of these values within a ~3.6 m vertical envelope is significant. It indicates a compressed hydrological zone, consistent with falling water levels rather than fluctuating peaks.
In other words, this borehole captures the tail end of the active water system, not its initiation.
5. Zero-Depth Entries and Process Interpretation
Only 3 zero-depth entries are recorded — a sharp contrast with higher boreholes. This reduction is meaningful.
It reflects:
- Fewer intermittent contacts with groundwater
- Reduced lateral spread of water
- A system that is stabilising and retreating, not expanding
This behaviour is exactly what would be expected as post-glacial water levels decline and the active zone contracts downslope.
6. Interpretation in System Context
SU14SW60 (R16) does not weaken the flooding hypothesis — it completes it.
This borehole shows:
- Continued water transport at low elevations
- Declining event frequency and thickness
- A narrowing hydrological envelope
- Clear evidence of system retreat rather than randomness
When aligned with R18 (deep, dense activity) and R15a (marginal persistence), R16 provides the lower bound of the system.
7. Why This Borehole Matters
R16 demonstrates that post-glacial water activity did not simply “switch off”. Instead, it:
- Migrated downslope
- Became increasingly constrained
- Left a quantifiable, ordered stratigraphic signature
This ordered decline is mathematically incompatible with explanations based on isolated floods, periglacial features, or dry chalk processes.
It is, however, exactly what a long-lived, retreating water system produces.

Borehole Analysis – SU14SW99 (R157), Stonehenge Bottom
The borehole SU14SW99 (R157) captures a distinctly different hydrological expression within the Stonehenge Bottom system. With a ground level of 79.67 m OD and a relatively shallow borehole depth of 28.00 m, this record represents a low-elevation, high-energy zone within the post-glacial landscape.
1. Event Count vs Event Size
Only 24 discrete bands are recorded — the lowest count of the Stonehenge Bottom boreholes analysed so far. However, this is deceptive if viewed in isolation.
The key metric here is the average measured event size: 0.66 m, which is an order of magnitude larger than in R18, R15a, or R16.
This immediately indicates:
- Fewer events
- But far larger depositional episodes
- Consistent with sustained or repeated high-energy water flow rather than intermittent saturation
2. Cumulative Thickness and Proportional Impact
The cumulative thickness of water-affected material is 15.90 m, representing 20.0% of the entire borehole.
This is the highest proportional impact recorded in any of the Stonehenge Bottom boreholes so far.
In other words:
- One fifth of the entire subsurface sequence has been reworked or deposited by water
- In a borehole only 28 m deep
- At a relatively low elevation
This alone rules out marginal or incidental hydrological explanations.
3. Material Composition: A High-Energy Signature
Unlike the other boreholes, SU14SW99 (R157) is overwhelmingly dominated by coarse clastic material:
- Pebbles / Gravel
- 11 bands
- 9.60 m thickness
This is the single largest contributor, accounting for over 60% of the total water-affected thickness.
- Cobbles
- 6 bands
- 6.30 m thickness
The presence of multiple cobble horizons of this thickness indicates repeated competence, not a one-off event.
All other categories — shells, sands, chalk paste, organics, solution features — are either absent or present only as zero-depth indicators.
This composition is diagnostic of:
- Strong, persistent flow
- Capable of transporting coarse material
- With little opportunity for fine sediment settling or organic accumulation
4. Elevation Constraints and Hydrological Control
Two independent indicators converge tightly:
- Highest Flood Evidence: 75.50 m OD
- Highest Below Glacial Top: 75.50 m OD
The absence of shell evidence (N/A) is not a weakness — it is expected in this context. At this energy level and elevation, shell material would be:
- Transported further downslope
- Destroyed mechanically
- Or never deposited due to flow conditions
This reinforces, rather than undermines, the interpretation of a high-energy flow corridor.
5. Zero-Depth Entries and Interpretation
The borehole records 12 zero-depth entries, a moderate number relative to event count.
This pattern suggests:
- Repeated identification of coarse material without measurable thickness
- Lateral reworking and scouring
- A dynamic environment where deposition and erosion alternated
This is not a quiet floodplain or marsh — it is a conduit.
6. System-Level Interpretation
SU14SW99 (R157) represents the transport spine of the Stonehenge Bottom hydrological system.
When placed in context:
- R18 shows prolonged, fine-grained, high-frequency interaction (deep, persistent water)
- R15a captures marginal persistence and retreat
- R16 documents late-stage contraction at low elevations
- R157 records where the water actually moved
This borehole answers the question: if the landscape was flooded, where did the water go?
The answer is: through here.
7. Why This Borehole Is Critical
R157 eliminates a common escape route for denial.
High-energy gravel and cobble dominance:
- Cannot be periglacial patterned ground
- Cannot be dry colluvium
- Cannot be cultural backfill
- Cannot be explained by isolated meltwater pulses
Combined with the borehole network, it demonstrates a structured, hierarchical hydrological system — not random deposition.
8. Closing Interpretation
SU14SW99 (R157) is not an anomaly.
It is the necessary downstream counterpart to the finer, higher-elevation records.
Together, the boreholes describe:
- Source zones
- Marginal zones
- Retreat phases
- And transport corridors
That coherence is not interpretive — it is numerical.

Borehole Analysis – SU14SW63 (19A), Stonehenge Bottom
The borehole SU14SW63 (19A) represents one of the highest-elevation hydrological records within the Stonehenge Bottom dataset. With a ground level of 106.33 m OD and a borehole depth of 45.00 m, this core captures water-related activity well above levels that are normally assumed to be dry chalk downland.
1. Event Density and System Persistence
A total of 88 discrete bands are recorded, all classed as water-related horizons. This is a high event count for a borehole at this elevation and immediately undermines any argument that water activity was confined to low-lying zones only.
The average measured event size of 0.13 m matches closely with R18 and R16, indicating frequent, fine-scale hydrological interactions rather than a few large depositional events.
This is the signature of persistence, not anomaly.
2. Cumulative Thickness vs Borehole Depth
The cumulative thickness of water-affected material is 11.41 m, representing 10.73% of the borehole depth.
At over 106 m OD, this proportion is striking. It demonstrates that elevated areas experienced repeated and measurable water interaction, not occasional surface runoff or isolated disturbance.
In chalk geology, this level of reworking at elevation demands a sustained hydrological driver.
3. Material Composition: Mixed-Energy Environment
The matrix breakdown shows a balanced and internally consistent material profile, characteristic of a fluctuating but active water regime:
- Pebbles / Gravel
- 27 bands
- 4.82 m thickness
The dominant contributor by thickness, indicating repeated transport under moderate flow conditions.
- Cobbles
- 8 bands
- 2.02 m thickness
Multiple cobble horizons distributed across events rule out single-episode deposition and imply recurring competence.
- Sand / Silt / Marl
- 23 bands
- 1.02 m thickness
Frequent but thin deposits, consistent with settling during pauses or slack water conditions.
- Chalk Paste / Soft Chalk
- 7 bands
- 2.80 m thickness
Strong evidence of chalk dissolution and redeposition under prolonged saturation rather than mechanical erosion.
- Shell Fragments
- 6 bands
- 0.28 m thickness
Crucially, shell material is present at this elevation, reinforcing water-borne introduction rather than in situ fossil exposure.
- Organic Staining / Peat
- 7 bands
- 0.35 m thickness
Indicates intermittent waterlogging and organic accumulation, incompatible with a permanently dry landscape.
The near-absence of solution void thickness suggests active water movement, not long-term stagnant pooling.
4. Elevation Constraints and Convergence
Three key elevation markers frame the hydrological envelope:
- Highest Flood Evidence: 105.50 m OD
- Highest Below Glacial Top: 102.83 m OD
- Highest Shell Evidence: 94.53 m OD
The separation between flood indicators and shell evidence is instructive. It implies that water reached higher elevations than shell transport, consistent with fluctuating water levels and variable energy conditions rather than a single static shoreline.
This vertical ordering is internally coherent and physically plausible.
5. Zero-Depth Entries and Event Character
Only 7 zero-depth entries are recorded — low relative to the total band count.
This suggests:
- Most water interactions resulted in measurable deposition or reworking
- The system at this elevation was consistently active, not marginal or intermittent
- Hydrological processes here were sustained long enough to leave thickness signatures
6. Interpretation in the Wider System
SU14SW63 (19A) demonstrates that post-glacial water activity extended into the higher landscape, not just valley bottoms or transport corridors.
When integrated with the other boreholes:
- R18 shows deep, persistent saturation
- R15a captures marginal retreat
- R16 records late-stage contraction
- R157 defines high-energy transport
- R19A confirms upper-level system reach
This completes the vertical profile of the hydrological system.
7. Why This Borehole Matters
R19A closes off one of the most common escape routes in denial-based explanations:
the claim that “higher ground must have remained dry”.
The data shows otherwise — quantitatively.
Repeated water interaction at over 105 m OD, involving gravels, cobbles, chalk paste, shells, and organics, cannot be explained by:
- Periglacial patterned ground
- Dry colluvial processes
- Isolated meltwater pulses
- Cultural disturbance
It requires a sustained, elevated water regime.
8. Closing Interpretation
SU14SW63 (19A) demonstrates that post-glacial water activity at Stonehenge Bottom was:
- Vertically extensive
- Long-lived
- Internally structured
- And mathematically consistent across boreholes
This is not a collection of anomalies — it is a system.

Borehole Analysis – SU14SW26 (P3), Stonehenge Bottom
The borehole SU14SW26 (P3) samples one of the highest hydrologically active elevations recorded beneath Stonehenge Bottom. With a ground level of 109.48 m OD and a borehole depth of 31.3 m, it provides a critical constraint on the upper vertical reach of post-glacial water influence within the system.
Despite its elevation, the borehole records clear, repeated water-related activity that cannot be reconciled with a dry chalk-downland model.
1. Event Density and System Behaviour
A total of 17 discrete water-related horizons are recorded.
At first glance this is a lower event count than deeper or lower-lying boreholes — but this is exactly what is expected at the upper fringe of a waning hydrological system. What matters is not the absolute count, but the nature, composition, and elevation of those events.
The average measured event size is 0.18 m, which is larger than many lower-elevation boreholes. This indicates that when water reached this elevation, it did so with sufficient energy and duration to produce measurable depositional thickness, not ephemeral wetting.
This is intermittent persistence, not noise.
2. Cumulative Thickness vs Borehole Depth
The cumulative thickness of water-affected material is 3.08 m, representing 9.84% of the total borehole depth.
For a borehole beginning at 109.48 m OD, this proportion is highly significant. Nearly one-tenth of the entire stratigraphic column shows direct water modification at an elevation normally assumed to lie well above any sustained hydrological influence.
In chalk geology, this cannot be produced by rainfall percolation or slope wash alone.
3. Material Composition – Competent but Selective Transport
The matrix breakdown shows a selective, energy-filtered assemblage, characteristic of upper-limit water reach rather than a core flow zone.
Pebbles / Gravel
6 bands | 1.11 m thickness
The dominant component, indicating repeated moderate-energy transport capable of moving coarse material to this elevation.
Cobbles
2 bands | 0.25 m thickness
Sparse but decisive. Even limited cobble presence at this height is incompatible with dry or periglacial explanations.
Flint Sand / Reworked Flint
3 bands | 0.71 m thickness
Indicates reworking of chalk-derived material under flowing water, not in situ weathering.
Organic Staining / Peat
5 bands | 1.01 m thickness
A critical signal. Organic accumulation at this elevation requires periodic waterlogging, not merely damp soil.
Sand / Silt / Marl
1 band | 0.00 m thickness
Recorded as an event but without measurable thickness, consistent with brief slack-water phases at the system margin.
Notably absent are chalk paste / soft chalk and solution void development, indicating that water presence here was active and transient, not permanently saturating.
4. Elevation Constraints and Hydrological Ceiling
Three elevation markers define the upper envelope:
- Highest Flood Evidence: 106.70 m OD
- Highest Below Glacial Top: 104.15 m OD
- Highest Shell Evidence: N/A
The absence of shell material is not a weakness — it is expected. Shell transport requires lower energy thresholds and longer residence times, which diminish at the system’s upper edge.
What matters is that gravel, flint sand, and organics still occur well above 106 m OD, demonstrating that water repeatedly reached this height even when shell transport did not.
This establishes vertical zonation, not contradiction.
5. Zero-Depth Entries and Event Character
Only one zero-depth entry is recorded.
This confirms that almost every detected water interaction produced measurable sedimentary or geochemical impact. The system was not marginally brushing this elevation — it was physically interacting with it.
6. Interpretation Within the Stonehenge Bottom System
SU14SW26 (P3) represents the upper expression of the same hydrological system recorded more fully in deeper boreholes.
When integrated vertically:
- Lower boreholes record persistent saturation
- Mid-level boreholes record frequent reworking
- P3 records intermittent but competent reach
This is exactly the pattern expected from a large, declining post-glacial water body or expanded river system, not from isolated floods or localised processes.
7. Why P3 Matters
P3 removes the final refuge of the “dry uplands” argument.
Even at nearly 110 m OD, the stratigraphy shows:
- Repeated gravel transport
- Organic waterlogging
- Reworked flint sands
- Measurable cumulative thickness
None of this can be explained by:
- Rainwash
- Periglacial patterned ground
- Soil creep
- Human disturbance
It requires a coherent, elevated hydrological regime.
8. Closing Interpretation
SU14SW26 (P3) demonstrates that post-glacial water activity at Stonehenge Bottom:
- Reached extreme elevations
- Operated intermittently but effectively
- Was sediment-competent
- Followed a vertically structured system
This borehole does not record an anomaly.
It records the upper boundary of a real, measurable hydrological landscape.

Borehole Analysis – SU14SW64 (R20), Stonehenge Bottom
The borehole SU14SW64 (R20) provides one of the most hydrologically intense records within the Stonehenge Bottom dataset. With a ground level of 103.90 m OD and a borehole depth of 35.00 m, it captures prolonged and repeated water activity across a substantial vertical range.
This borehole does not represent marginal flooding or episodic disturbance. It records a core operational zone of the post-glacial hydrological system.
1. Event Density and Hydrological Persistence
A total of 62 discrete water-related horizons are recorded.
This is a very high event count and places R20 firmly within the persistent interaction zone of the system rather than its upper fringe or terminal retreat phase.
The average measured event size of 0.16 m closely matches values seen across other active boreholes, indicating frequent, repeatable depositional and reworking events rather than a small number of large floods.
This is the signature of a stable but dynamic hydrological regime operating over extended time.
2. Cumulative Thickness vs Borehole Depth
The cumulative thickness of water-affected material is 8.34 m, representing 23.83% of the total borehole depth.
Nearly one quarter of the entire stratigraphic column has been directly modified by water processes. In chalk terrain, this degree of reworking cannot be generated by surface runoff, slope wash, or isolated high-energy pulses.
It requires long-lived water presence with repeated flow and reworking, consistent with an enlarged river, flooded valley system, or lake-margin environment.
3. Material Composition – Sustained Mixed-Energy Conditions
The matrix breakdown shows a balanced and internally consistent material assemblage, indicative of fluctuating but persistent hydrological energy.
Pebbles / Gravel
23 bands | 5.19 m thickness
The dominant contributor by thickness, demonstrating repeated moderate-energy transport capable of sustained gravel movement.
Sand / Silt / Marl
25 bands | 2.32 m thickness
The highest band count in the matrix, reflecting frequent slack-water or waning-flow phases between higher-energy events.
Cobbles
4 bands | 0.42 m thickness
Discrete cobble horizons confirm that transport competence repeatedly exceeded gravel thresholds, even if intermittently.
Shell Fragments
6 bands | 0.07 m thickness
Shell material is present well below the flood ceiling, indicating transport during calmer or lower-energy phases within the system.
Flint Sand / Reworked Flint
4 bands | 0.34 m thickness
Evidence of repeated reworking of chalk-derived material under flowing water rather than in situ weathering.
Notably absent are chalk paste / soft chalk and solution void thickness, indicating that water movement here was predominantly advective, not long-term stagnant saturation.
4. Elevation Constraints and Vertical Structure
Three elevation markers define the hydrological envelope:
- Highest Flood Evidence: 103.90 m OD
- Highest Below Glacial Top: 99.93 m OD
- Highest Shell Evidence: 88.43 m OD
The coincidence of the highest flood evidence with ground level indicates that water repeatedly reached or occupied the full surface elevation at this location.
The vertical separation between flood indicators and shell transport shows energy stratification within the system: high water levels were achieved more frequently than conditions suitable for shell movement.
This ordering is internally coherent and physically expected in a fluctuating water body or expanded river regime.
5. Zero-Depth Entries and Event Resolution
A total of 10 zero-depth entries are recorded.
Even with these included, the borehole still shows substantial cumulative thickness, confirming that the majority of hydrological events resulted in measurable sedimentary impact. Zero-depth entries here likely represent brief reactivation phases rather than noise or misclassification.
6. Interpretation Within the Stonehenge Bottom System
R20 occupies the central operational band of the Stonehenge Bottom hydrological system.
When placed in vertical context:
- Higher boreholes (e.g. P3) record intermittent upper reach
- R20 records frequent, sustained interaction
- Lower boreholes record persistent saturation and deeper reworking
This is exactly the structure expected from a large, gradually contracting post-glacial water system, not from isolated floods or localised periglacial processes.
7. Why R20 Matters
R20 directly contradicts any model that limits water activity to valley floors or assumes rapid post-glacial drainage.
At just under 104 m OD, it records:
- Repeated gravel and cobble transport
- Frequent slack-water deposition
- Shell-bearing horizons
- Nearly 24% stratigraphic reworking
These observations cannot be explained by:
- Rainwash
- Colluvium
- Periglacial patterned ground
- Human disturbance
They require a persistent, system-wide hydrological regime.
8. Closing Interpretation
SU14SW64 (R20) demonstrates that post-glacial water activity at Stonehenge Bottom was:
- Persistent and vertically extensive
- Capable of sustained sediment transport
- Internally structured by energy regime
- Consistent with neighbouring boreholes
This borehole does not record an edge case or anomaly.
It records the functional core of the hydrological system.

Borehole Analysis – SU14SW65 (R21), Stonehenge Bottom
The borehole SU14SW65 (R21) represents the highest-elevation hydrological record yet identified within the Stonehenge Bottom dataset. With a ground level of 109.90 m OD and a borehole depth of 26.80 m, it defines the upper ceiling of sustained post-glacial water interaction across the landscape.
Crucially, this borehole does not merely record water reach — it records active sediment transport and biological input at maximum elevation.
1. Event Density and System Behaviour
A total of 39 discrete water-related horizons are recorded.
For a borehole positioned at nearly 110 m OD, this is a substantial event count and immediately contradicts any assertion that water influence faded out rapidly with elevation.
The average measured event size of 0.14 m is consistent with repeated, fine-scale hydrological interactions rather than isolated flooding. This indicates recurrence, not chance.
R21 therefore represents a high-level but repeatedly activated zone of the hydrological system.
2. Cumulative Thickness vs Borehole Depth
The cumulative thickness of water-affected material is 3.75 m, representing 14% of the total borehole depth.
At this elevation, this proportion is highly significant. More than one-seventh of the stratigraphic column shows direct water modification, which cannot be explained by rainfall percolation, slope wash, or soil processes alone.
In chalk geology, this degree of reworking at elevation requires repeated saturation and flow, not incidental wetting.
3. Material Composition – Upper-Limit Mixed Regime
The matrix breakdown reveals a diverse but energy-attenuated assemblage, exactly what is expected at the upper boundary of a declining water system.
Organic Staining / Peat
11 bands | 1.32 m thickness
The dominant contributor by thickness. This indicates prolonged or repeated waterlogging, not transient surface moisture.
Sand / Silt / Marl
5 bands | 1.08 m thickness
Frequent fine sediment deposition, consistent with slack-water phases or shallow standing water.
Flint Sand / Reworked Flint
6 bands | 0.44 m thickness
Clear evidence of reworking of chalk-derived material under moving water.
Solution Features / Voids
5 bands | 0.52 m thickness
This is critical. Solution features at this elevation demonstrate prolonged saturation and dissolution, not rapid through-flow.
Pebbles / Gravel
5 bands | 0.28 m thickness
Cobbles
2 bands | 0.11 m thickness
Although reduced in volume, the presence of coarse material at this elevation confirms transport competence, even at the system’s upper limit.
Shell fragments are recorded as events without thickness, indicating biological presence during flooding phases, even if transport energy was insufficient for accumulation.
4. Elevation Constraints and Hydrological Ceiling
Three elevation markers define the system apex:
- Highest Flood Evidence: 109.15 m OD
- Highest Shell Evidence: 109.15 m OD
- Highest Below Glacial Top: 106.20 m OD
The coincidence of flood evidence and shell presence at the same elevation is decisive. This demonstrates that biologically active water reached the highest levels recorded in the dataset, not merely sterile flooding.
This marks R21 as the hydrological ceiling, not a marginal outlier.
5. Zero-Depth Entries and Event Resolution
A total of 12 zero-depth entries are recorded.
At this elevation, this is expected and informative. It indicates brief reactivation phases where water presence was sufficient to register chemically or biologically, even if sediment deposition was minimal.
Importantly, despite these zero-depth entries, R21 still records substantial cumulative thickness, confirming that many events were long-lived enough to leave a measurable imprint.
6. Interpretation Within the Stonehenge Bottom System
R21 represents the upper saturation and ponding zone of the Stonehenge Bottom hydrological system.
When integrated vertically:
- R20 records sustained transport and reworking
- P3 records intermittent competent reach
- R21 records prolonged high-level saturation with biological activity
This is the expected structure of a large, slowly declining post-glacial water body, not a series of disconnected floods.
7. Why R21 Matters
R21 closes the final escape route for dry-land interpretations.
At nearly 110 m OD, it records:
- Organic accumulation
- Fine sediment deposition
- Solutional dissolution
- Gravel and cobble transport
- Shell presence at peak water level
None of this can be explained by:
- Rainfall infiltration
- Periglacial processes
- Soil creep
- Cultural disturbance
It requires persistent water at elevation.
8. Closing Interpretation
SU14SW65 (R21) demonstrates that post-glacial water activity at Stonehenge Bottom:
- Reached its maximum vertical extent
- Was biologically active
- Produced dissolution and accumulation
- Persisted long enough to reshape chalk stratigraphy
This borehole does not represent an anomaly.
It represents the hydrological ceiling of the entire system.

Borehole Analysis – SU14SW66 (R22), Stonehenge Bottom
The borehole SU14SW66 (R22) occupies a mid–upper elevation position within the Stonehenge Bottom dataset. With a ground level of 106.10 m OD and a borehole depth of 20.85 m, it samples a zone transitional between the high-energy transport regime seen in R20 and the upper saturation ceiling defined by R21.
What distinguishes R22 is not coarse transport, but intensive dissolution and fine-phase water interaction, marking it as a hydrologically active but energy-attenuated zone.
1. Event Density and Hydrological Behaviour
A total of 24 discrete water-related horizons are recorded.
For a relatively shallow borehole, this is a high interaction density, confirming that water influence was not occasional or superficial. The average measured event size of 0.16 m matches the system-wide norm, indicating that R22 was not marginal to the hydrological system but repeatedly reactivated.
This is not a “quiet” borehole — it is chemically and hydraulically busy.
2. Cumulative Thickness vs Borehole Depth
The cumulative thickness of water-affected material is 3.39 m, representing 16.25% of the total borehole depth.
That means one-sixth of the entire stratigraphic column has been modified by water processes. In chalk geology, this proportion cannot be produced by soil moisture, rain percolation, or downslope creep.
It requires recurrent saturation and circulation, even if flow energy was limited.
3. Material Composition – Dissolution-Dominated Regime
The matrix breakdown shows a strong dominance of low-energy and chemical water effects, rather than mechanical transport.
Solution Features / Voids
12 bands | 1.96 m thickness
This is the defining characteristic of R22. Nearly 2 metres of solutional modification indicates prolonged or repeated chalk dissolution under saturated conditions.
This cannot occur under brief flooding or dry conditions.
Sand / Silt / Marl
10 bands | 1.37 m thickness
Frequent fine sediment deposition, consistent with standing or slow-moving water phases.
Flint Sand / Reworked Flint
1 band | 0.06 m thickness
Limited reworking of chalk-derived material, indicating some movement but low transport competence.
Cobbles
1 band | 0.00 m thickness
Recorded as an event but without accumulation — indicating threshold transport conditions, not absence of water.
Notably absent are pebbles / gravel, organic staining, and shell accumulation, which is exactly what is expected where water presence is persistent but energy is low.
4. Elevation Constraints and System Position
Three elevation markers define R22’s placement within the system:
- Highest Flood Evidence: 103.84 m OD
- Highest Below Glacial Top: 102.35 m OD
- Highest Shell Evidence: N/A
The absence of shell material is not anomalous. Shell transport requires lower-energy persistence combined with biological residence time — conditions that develop further upslope (R21) or downslope (R20), not in a dissolution-dominated mid-zone.
What matters is that floodwater repeatedly occupied levels above 103 m OD, producing solutional voids and fine sediment accumulation.
5. Zero-Depth Entries and Event Resolution
Only 3 zero-depth entries are recorded.
This confirms that most hydrological events in R22 produced measurable stratigraphic or chemical impact. The water presence here was not fleeting — it was sustained long enough to dissolve chalk and redeposit fines.
6. Interpretation Within the Stonehenge Bottom System
R22 represents the chemical core of the hydrological system.
When placed in vertical context:
- R20 shows sustained mechanical transport
- R22 shows prolonged dissolution and fine deposition
- P3 shows intermittent competent reach
- R21 shows upper-level saturation and biological activity
This is exactly the internal stratification expected within a large, long-lived post-glacial water body undergoing gradual retreat.
7. Why R22 Matters
R22 destroys the false dichotomy between “wet valleys” and “dry uplands”.
At over 106 m OD, it records:
- Extensive chalk dissolution
- Repeated fine sediment deposition
- High event density
- Significant cumulative thickness
These features cannot be produced by:
- Rainwater percolation
- Periglacial freeze–thaw
- Soil creep
- Short-lived floods
They require persistent saturation and circulation.
8. Closing Interpretation
SU14SW66 (R22) demonstrates that post-glacial water activity at Stonehenge Bottom:
- Was not solely mechanical — it was chemically transformative
- Operated repeatedly at mid–upper elevations
- Persisted long enough to reshape chalk structure
- Forms an essential internal component of the wider system
This borehole is not a weak link.
It is the chemical engine of the hydrological model.

Borehole Analysis – SU14SW100 (R158), Stonehenge Bottom
The borehole SU14SW100 (R158) samples a deep, mechanically active sector of the Stonehenge Bottom hydrological system. With a ground level of 107.30 m OD and a borehole depth of 50.00 m, it captures a long vertical record that bridges upper flood reach and deeper system reworking.
This borehole is defined by high transport competence combined with measurable solutional modification.
1. Event Density and Hydrological Behaviour
A total of 31 discrete water-related horizons are recorded.
While the event count is lower than some mid-core boreholes, the average measured event size of 0.22 m is the largest recorded across the dataset to date. This indicates fewer but substantially more energetic or longer-duration events.
R158 therefore records hydrological intensity, not marginal interaction.
2. Cumulative Thickness vs Borehole Depth
The cumulative thickness of water-affected material is 6.70 m, representing 13.40% of the total borehole depth.
Given the depth of the borehole, this proportion is significant. Nearly seven metres of the stratigraphic column have been directly modified by water, confirming sustained system engagement through time.
This level of reworking cannot be generated by isolated floods or short-lived periglacial melt pulses.
3. Material Composition – Transport-Dominated Regime
The matrix breakdown shows a clear dominance of mechanically transported material, distinguishing R158 from dissolution-dominated boreholes such as R22.
Pebbles / Gravel
14 bands | 4.50 m thickness
The dominant component by thickness. Repeated gravel transport over such thickness requires persistent moderate-to-high energy flow.
Sand / Silt / Marl
11 bands | 1.15 m thickness
Frequent fine deposition between higher-energy events, indicating fluctuating but sustained flow conditions.
Cobbles
2 bands | 0.10 m thickness
Discrete cobble horizons confirm episodic peaks in transport competence.
Solution Features / Voids
4 bands | 0.95 m thickness
Evidence of prolonged water–chalk interaction, indicating that saturation phases accompanied mechanical transport.
Notably absent are shell fragments and organic staining, suggesting that this sector favoured through-flow and transport rather than biological residence or stagnant conditions.
4. Elevation Constraints and System Envelope
Three elevation markers define R158’s hydrological context:
- Highest Flood Evidence: 103.84 m OD
- Highest Below Glacial Top: 102.35 m OD
- Highest Shell Evidence: N/A
Flood evidence reaching above 103 m OD confirms that water repeatedly occupied high elevations even in this mechanically dominated zone. The absence of shell material is expected under higher-energy flow regimes, where biological accumulation is suppressed.
5. Zero-Depth Entries and Event Resolution
A total of 10 zero-depth entries are recorded.
In the context of large average event size, these entries likely represent high-energy flushing phases that reworked existing material without leaving new depositional thickness.
This reinforces the interpretation of energetic flow, not weak interaction.
6. Interpretation Within the Stonehenge Bottom System
R158 occupies the high-energy transport corridor of the system.
When integrated vertically:
- R158 records energetic gravel-dominated transport
- R20 records sustained mixed-energy interaction
- R22 records dissolution and fine-phase dominance
- P3 records intermittent upper reach
- R21 records saturation and biological ceiling
This internal differentiation is exactly what is expected within a large, complex, and long-lived post-glacial hydrological system.
7. Why R158 Matters
R158 demonstrates that the Stonehenge Bottom system was not only extensive, but hydraulically powerful.
At elevations exceeding 103 m OD, it records:
- Thick gravel packages
- High average event size
- Repeated transport competence
- Associated solutional modification
These features cannot be explained by:
- Rain-driven runoff
- Periglacial disturbance
- Soil processes
- Isolated meltwater events
They require a sustained, system-wide flow regime.
8. Closing Interpretation
SU14SW100 (R158) confirms that post-glacial water activity at Stonehenge Bottom:
- Included high-energy transport corridors
- Persisted through deep stratigraphy
- Operated repeatedly rather than episodically
- Forms an integral component of a coherent system
This borehole is not peripheral.
It is one of the engines of the system.

Borehole Analysis – SU14SW25 (P2), Stonehenge Bottom
The borehole SU14SW25 (P2) represents the deepest, most hydrologically saturated record within the Stonehenge Bottom dataset. With a ground level of 80.88 m OD and a borehole depth of 35.70 m, it captures the core basin environment of the post-glacial system.
This borehole does not merely show water influence — it records dominance by water.
1. Event Density and Hydrological Persistence
A total of 95 discrete water-related horizons are recorded — the highest event count in the entire dataset.
This alone establishes P2 as the long-term locus of hydrological activity. There is no interpretation under which 95 independent water events can be explained by episodic flooding or short-lived processes.
The average measured event size of 0.24 m is also the largest in the dataset, indicating that events here were not only frequent, but long-lived and volumetrically significant.
This is persistence at scale.
2. Cumulative Thickness vs Borehole Depth
The cumulative thickness of water-affected material is 18.28 m, representing 51.20% of the entire borehole depth.
More than half of the stratigraphic column has been directly modified by water processes.
In chalk geology, this level of reworking is unequivocal. It cannot be produced by surface runoff, periglacial action, or isolated flood pulses. It requires continuous or repeatedly sustained saturation over extended periods.
P2 is not a marginal environment — it is a hydrological basin.
3. Material Composition – Full-Spectrum Water Regime
The matrix breakdown shows every major water-related process operating together, making P2 the most complete expression of the system.
Cobbles
15 bands | 3.27 m thickness
Repeated high-energy transport episodes, confirming strong flow competence within the basin.
Pebbles / Gravel
28 bands | 2.96 m thickness
Sustained moderate-energy transport dominating the system.
Sand / Silt / Marl
12 bands | 3.23 m thickness
Frequent slack-water deposition, consistent with fluctuating water levels and waning flow.
Chalk Paste / Soft Chalk
6 bands | 3.29 m thickness
Extensive chalk dissolution and redeposition, indicating prolonged saturation rather than mechanical erosion.
Organic Staining / Peat
14 bands | 2.23 m thickness
Strong evidence of long-term waterlogging and biological accumulation.
Solution Features / Voids
9 bands | 2.25 m thickness
Substantial chemical modification of the chalk matrix, confirming sustained groundwater presence.
Shell Fragments
8 bands | 0.86 m thickness
Biological material transported and deposited well within the system, marking stable aquatic conditions during multiple phases.
This is not a selective assemblage — it is a complete hydrological signature.
4. Elevation Constraints and Basin Position
Three elevation markers define P2’s position:
- Highest Flood Evidence: 78.18 m OD
- Highest Below Glacial Top: 77.38 m OD
- Highest Shell Evidence: 66.58 m OD
These values show that P2 sits entirely within the long-term flooded zone, with shell transport occurring well below peak flood levels — a classic indicator of deep, stable water bodies with internal energy stratification.
5. Zero-Depth Entries and System Stability
A total of 20 zero-depth entries are recorded.
At this scale, zero-depth entries do not weaken the signal — they reinforce it. They indicate frequent reactivation, reworking, and flushing within an already saturated environment.
Despite these, cumulative thickness remains extreme, confirming persistent occupancy by water.
6. Interpretation Within the Stonehenge Bottom System
P2 is the hydrological core of the entire system.
When integrated vertically:
- P2 = deep basin, long-term saturation
- R158 / R20 = transport corridors feeding the basin
- R22 = dissolution and internal circulation zone
- P3 = intermittent upper reach
- R21 = saturation ceiling
This is a single, vertically structured water system, not a set of unrelated deposits.
7. Why P2 Matters
P2 makes dry-land interpretations untenable.
It records:
- Continuous gravel and cobble transport
- Extensive chalk dissolution
- Organic and shell accumulation
- More than 50% stratigraphic reworking
No combination of:
- Rainfall
- Periglacial processes
- Soil creep
- Cultural disturbance
can produce this signature.
It requires a large, long-lived post-glacial water body.
8. Closing Interpretation
SU14SW25 (P2) demonstrates that post-glacial water activity at Stonehenge Bottom was:
- Deep and persistent
- Mechanically powerful
- Chemically transformative
- Biologically active
- Structurally organised
This borehole is not evidence of the system.
It is the system.

Borehole Analysis – SU14SW56 (R12), Stonehenge Bottom
The borehole SU14SW56 (R12) represents one of the most intensively water-dominated stratigraphic records in the Stonehenge Bottom dataset. With a ground level of 92.40 m OD and a borehole depth of 24.90 m, it captures a zone that was persistently saturated and repeatedly reworked throughout the post-glacial period.
This borehole does not reflect episodic flooding. It records near-continuous hydrological occupation.
1. Event Density and Hydrological Persistence
A total of 46 discrete water-related horizons are recorded.
For a borehole under 25 m deep, this is an extremely high event density. More importantly, the average measured event size of 0.54 m is by far the largest in the entire dataset, indicating that individual hydrological phases here were long-lived, voluminous, and stable.
This is not pulse behaviour — it is sustained system dominance.
2. Cumulative Thickness vs Borehole Depth
The cumulative thickness of water-affected material is 21.45 m, representing 86.30% of the entire borehole depth.
This is decisive.
In chalk geology, there is no dry-land mechanism capable of modifying over four-fifths of a stratigraphic column. This proportion alone demonstrates that R12 sat within a long-term flooded or saturated environment, not at its margins.
R12 is not influenced by the system — it is embedded within it.
3. Material Composition – Saturation-Dominated Basin Regime
The matrix breakdown shows a dominance of dissolution, fine deposition, and organic accumulation, characteristic of prolonged saturation.
Chalk Paste / Soft Chalk
6 bands | 10.90 m thickness
The single most important signal. Massive chalk dissolution and redeposition at this scale requires extended submergence, not mechanical erosion.
Sand / Silt / Marl
12 bands | 5.66 m thickness
Repeated fine-grained settling, consistent with standing or very slow-moving water.
Pebbles / Gravel
28 bands | 2.56 m thickness
Frequent but attenuated transport, indicating intermittent energy input into an otherwise saturated environment.
Organic Staining / Peat
14 bands | 1.13 m thickness
Clear evidence of long-term waterlogging and biological productivity.
Solution Features / Voids
9 bands | 0.87 m thickness
Confirms sustained chemical interaction between water and chalk.
Cobbles
15 bands | 0.24 m thickness
Low thickness but frequent events, consistent with reduced transport competence in a saturated basin.
Shell fragments are recorded as events without thickness, indicating biological presence but limited transport or preservation under prevailing conditions.
4. Elevation Constraints and Basin Position
Three elevation markers define R12’s hydrological context:
- Highest Flood Evidence: 91.90 m OD
- Highest Below Glacial Top: 88.31 m OD
- Highest Shell Evidence: 84.62 m OD
These values place R12 well within the long-term flooded interior of the system, below the more dynamic transport corridors and far beneath the upper saturation ceiling.
Shell presence well below flood maxima is exactly what is expected in a deep, stable water body with internal energy stratification.
5. Zero-Depth Entries and System Stability
Only 6 zero-depth entries are recorded.
At this scale of cumulative thickness, this indicates that the vast majority of hydrological events were depositional or chemically active, not transient or ineffective.
The system here was stable enough to accumulate, dissolve, and preserve.
6. Interpretation Within the Stonehenge Bottom System
R12 represents the lower saturated basin wall of the Stonehenge Bottom hydrological system.
Placed in vertical context:
- P2 = deepest basin core
- R12 = sustained saturation and dissolution zone
- R158 / R20 = transport corridors
- R22 = chemical circulation zone
- P3 = intermittent upper reach
- R21 = saturation ceiling
This arrangement is internally coherent and hydraulically inevitable.
7. Why R12 Matters
R12 eliminates any residual argument for predominantly dry conditions at mid-low elevations.
It records:
- Massive chalk dissolution
- Persistent fine sedimentation
- Organic accumulation
- High event thickness
- Near-total stratigraphic modification
No combination of:
- Rainfall
- Periglacial action
- Soil processes
- Cultural disturbance
can account for this signature.
It requires long-term standing or slowly circulating water.
8. Closing Interpretation
SU14SW56 (R12) demonstrates that post-glacial water activity at Stonehenge Bottom was:
- Deeply persistent
- Chemically dominant
- Biologically active
- Structurally organised
This borehole is not transitional.
It is unequivocal evidence of long-term inundation.

Borehole Analysis – SU14SW24 (P1), Stonehenge Bottom
The borehole SU14SW24 (P1) records a long-lived, water-dominated interior basin environment within the Stonehenge Bottom system. With a ground level of 96.12 m OD and a borehole depth of 35.80 m, it captures sustained saturation, extensive chalk dissolution, and repeated sedimentary reworking over a prolonged period.
This is not a marginal wet zone. It is a structurally flooded interior.
1. Event Density and Hydrological Persistence
A total of 56 discrete water-related horizons are recorded.
This remains a high event count, confirming repeated system reactivation. The average measured event size of 0.37 m indicates that individual hydrological phases were long-duration and volumetrically significant, not brief pulses.
The corrected band distribution strengthens this interpretation: fewer but thicker events dominate key materials, consistent with stable, sustained water phases rather than rapid oscillation.
2. Cumulative Thickness vs Borehole Depth
The cumulative thickness of water-affected material is 17.94 m, representing 50.11 % of the total borehole depth.
Half of the entire stratigraphic column has been directly modified by water. In chalk geology, this degree of reworking is only achievable under long-term saturation or standing water conditions.
P1 is therefore structurally embedded within the flooded system.
3. Material Composition – Saturated Interior Basin Regime
The corrected matrix shows a strong concentration of thickness into fewer, thicker bands, a hallmark of prolonged stable conditions.
Chalk Paste / Soft Chalk
15 bands | 10.30 m thickness
This is the dominant signal. Massive chalk dissolution and redeposition at this scale requires extended submergence, not surface wetting or mechanical erosion. The increased band count here reinforces sustained chemical activity.
Sand / Silt / Marl
8 bands | 3.49 m thickness
Fewer bands but substantial thickness indicates long slack-water phases, consistent with a deep, slow-moving or standing water body.
Organic Staining / Peat
7 bands | 0.92 m thickness
Organic accumulation under persistent waterlogging, not transient inundation.
Solution Features / Voids
4 bands | 1.41 m thickness
Lower band count but significant thickness confirms prolonged dissolution events, not repeated minor incursions.
Pebbles / Gravel
12 bands | 0.88 m thickness
Cobbles
6 bands | 0.44 m thickness
Reduced band counts with preserved thickness indicate occasional energy input into an otherwise saturated environment, not continuous transport.
Flint Sand / Reworked Flint
3 bands | 0.50 m thickness
Minor but repeated reworking under water.
Shell Fragments
1 band | 0.00 m thickness
Biological presence without accumulation — consistent with deep or low-energy interior conditions rather than shoreline processes.
4. Elevation Constraints and System Position
The elevation markers remain unchanged and internally coherent:
- Highest Flood Evidence: 94.12 m OD
- Highest Below Glacial Top: 92.26 m OD
- Highest Shell Evidence: 85.36 m OD
These place P1 well below the upper saturation ceiling and above the deepest basin core. Shell evidence occurring significantly below flood maxima confirms internal energy stratification within a deep water body.
5. Zero-Depth Entries and Event Resolution
A total of 9 zero-depth entries are recorded.
Given the very large cumulative thickness and dominant thick bands, these represent minor reactivation or flushing phases within an already saturated environment. They do not dilute the signal.
6. Interpretation Within the Stonehenge Bottom System
With the corrected band structure, P1 resolves clearly as the upper interior basin:
- P2 → deepest basin core
- R12 → saturated basin wall
- P1 → upper interior basin (this borehole)
- R158 / R20 → transport corridors
- R22 → chemical circulation zone
- P3 → intermittent upper reach
- R21 → saturation ceiling
The reduction in band counts but preservation of thickness in P1 strengthens the case for long-duration stillwater or slow-circulation conditions, not fluctuating margins.
7. Why the Correction Matters
The corrected matrix actually reinforces the model.
Fewer, thicker bands mean:
- Longer water residence times
- Fewer energetic interruptions
- Greater chemical dominance
This makes dry-land, periglacial, or rainwash explanations even less viable than before.
8. Closing Interpretation
SU14SW24 (P1) (corrected) demonstrates that post-glacial water activity at Stonehenge Bottom was:
- Long-lived and vertically extensive
- Chemically dominant
- Internally stratified
- Structurally stable
This borehole is not transitional or ambiguous.
It is a stable interior component of a large, long-duration flooded system.

Borehole Analysis – SU14SW53 (R9), Stonehenge Bottom
The borehole SU14SW53 (R9) records a highly dynamic, repeatedly reactivated interior zone of the Stonehenge Bottom hydrological system. With a ground level of 99.40 m OD and a borehole depth of 35.44 m, it captures intense oscillation between saturation, biological activity, dissolution, and sediment transport.
This borehole is defined not by thickness dominance, but by extreme event frequency.
1. Event Density and Hydrological Behaviour
A total of 106 discrete water-related horizons are recorded — the highest event count of any borehole in the dataset.
This immediately rules out episodic flooding as an explanation. The average measured event size of 0.12 m is relatively small, indicating very frequent, fine-scale hydrological reactivation rather than a small number of large events.
R9 records constant system activity, with water levels repeatedly rising, circulating, and reworking material.
2. Cumulative Thickness vs Borehole Depth
The cumulative thickness of water-affected material is 13.13 m, representing 37.05% of the total borehole depth.
More than one third of the stratigraphic column has been directly modified by water. While individual events are thin, their cumulative impact is substantial, demonstrating persistence through repetition rather than volume.
This is a hallmark of long-lived but fluctuating hydrological systems.
3. Material Composition – Oscillatory Interior Regime
The matrix breakdown shows a broad-spectrum assemblage, indicating repeated shifts in energy and water chemistry.
Organic Staining / Peat
22 bands | 3.61 m thickness
The strongest thickness signal. This indicates repeated waterlogging and biological productivity, consistent with fluctuating but persistent saturation.
Solution Features / Voids
16 bands | 4.38 m thickness
Extensive chalk dissolution confirms prolonged water–chalk interaction, not brief flooding.
Pebbles / Gravel
25 bands | 2.40 m thickness
Frequent moderate-energy transport episodes, indicating repeated reactivation of flow competence.
Cobbles
16 bands | 0.92 m thickness
Numerous but thin cobble horizons indicate short-lived higher-energy pulses within an otherwise moderated system.
Flint Sand / Reworked Flint
9 bands | 1.22 m thickness
Repeated reworking of chalk-derived material under flowing water.
Sand / Silt / Marl
8 bands | 0.92 m thickness
Slack-water deposition between active phases.
Shell Fragments
10 bands | 0.04 m thickness
Biological material present but rarely accumulating, consistent with frequent disturbance rather than stable stillwater.
Notably absent is chalk paste / soft chalk, indicating that water here was mobile rather than stagnant, despite frequent saturation.
4. Elevation Constraints and System Position
R9’s elevation markers are internally coherent:
- Highest Flood Evidence: 97.48 m OD
- Highest Below Glacial Top: 94.55 m OD
- Highest Shell Evidence: 93.33 m OD
These values place R9 above the deepest basin core but below the upper interior zones, exactly where repeated oscillation between transport, saturation, and biological phases would be expected.
Shell evidence occurring close to flood maxima indicates frequent but unstable biological conditions, consistent with repeated disturbance.
5. Zero-Depth Entries and Event Resolution
A total of 31 zero-depth entries are recorded — the highest in the dataset.
This does not weaken the signal. Instead, it confirms near-continuous hydrological probing of this elevation, with many events leaving chemical or biological traces even where sediment accumulation was minimal.
R9 is a reactivation hotspot.
6. Interpretation Within the Stonehenge Bottom System
R9 represents the oscillatory interior transition zone of the hydrological system.
Placed in vertical context:
- P2 = deepest basin core
- R12 = sustained saturation wall
- P1 = stable interior basin
- R9 = oscillatory interior transition (this borehole)
- R158 / R20 = transport corridors
- R22 = chemical circulation zone
- P3 = intermittent upper reach
- R21 = saturation ceiling
This position explains the extreme event frequency paired with moderate cumulative thickness.
7. Why R9 Matters
R9 eliminates the idea that the system was static or monotonic.
It records:
- The highest number of hydrological events
- Repeated biological activity and removal
- Extensive chalk dissolution
- Frequent energy fluctuation
These characteristics cannot be explained by:
- Seasonal rainfall
- Periglacial processes
- Soil creep
- One-off flooding
They require a long-lived, internally dynamic water system.
8. Closing Interpretation
SU14SW53 (R9) demonstrates that post-glacial water activity at Stonehenge Bottom was not only extensive and deep, but highly dynamic, with repeated oscillation between saturation, flow, and biological phases.
This borehole is not noise.
It is the pulse record of the system.

Borehole Analysis – SU14SW52 (R8), Stonehenge Bottom
The borehole SU14SW52 (R8) records an intensely water-dominated, chemically active interior zone of the Stonehenge Bottom hydrological system. With a ground level of 103.80 m OD and a borehole depth of 35.00 m, it captures prolonged saturation, extensive dissolution, and repeated sedimentary and biological interaction at mid–upper elevations.
This borehole is defined not by transport dominance, but by chemical transformation under sustained water presence.
1. Event Density and Hydrological Behaviour
A total of 68 discrete water-related horizons are recorded.
This is a high event count, confirming frequent system reactivation. The average measured event size of 0.25 m indicates that many of these events were long-lived and volumetrically meaningful, not momentary incursions.
R8 therefore records persistent water occupation with repeated internal reworking.
2. Cumulative Thickness vs Borehole Depth
The cumulative thickness of water-affected material is 16.71 m, representing 47.74% of the total borehole depth.
Nearly half of the stratigraphic column has been modified by water. In chalk geology, this degree of alteration is only possible under long-term saturation and circulation, not surface runoff or episodic flooding.
R8 is structurally within the flooded system, not at its margins.
3. Material Composition – Dissolution-Dominated Interior Regime
The matrix breakdown shows a clear dominance of chemical and biological water effects, with transport playing a secondary role.
Solution Features / Voids
14 bands | 11.30 m thickness
This is the defining signal. Over eleven metres of solutional modification indicates prolonged chalk dissolution under sustained saturation. This cannot occur without long water residence times.
Organic Staining / Peat
10 bands | 2.08 m thickness
Strong evidence of repeated waterlogging and biological accumulation, consistent with slow-moving or standing water.
Flint Sand / Reworked Flint
7 bands | 1.23 m thickness
Repeated reworking of chalk-derived material under water circulation.
Pebbles / Gravel
14 bands | 1.22 m thickness
Moderate-energy inputs occurring intermittently within an otherwise low-energy environment.
Sand / Silt / Marl
12 bands | 0.44 m thickness
Frequent but thin slack-water deposits.
Cobbles
4 bands | 0.30 m thickness
Rare higher-energy pulses, not sustained transport.
Shell Fragments
7 bands | 0.14 m thickness
Biological material present and occasionally preserved, indicating viable aquatic conditions rather than sterile flooding.
Notably absent is chalk paste / soft chalk, suggesting that dissolution dominated over redeposition in this zone.
4. Elevation Constraints and System Position
R8’s elevation markers are tightly constrained:
- Highest Flood Evidence: 101.67 m OD
- Highest Below Glacial Top: 101.57 m OD
- Highest Shell Evidence: 96.10 m OD
Floodwater repeatedly occupied levels above 101 m OD, while shell evidence occurs several metres lower, indicating energy and habitat stratification within the water body.
This is exactly what is expected in a deep, chemically active interior zone, not a shoreline or transient floodplain.
5. Zero-Depth Entries and Event Resolution
A total of 19 zero-depth entries are recorded.
In the context of very large cumulative thickness and dominant solutional modification, these entries represent minor circulation or flushing phases within an already saturated environment. They do not weaken the signal.
6. Interpretation Within the Stonehenge Bottom System
R8 occupies the chemical dissolution core of the upper interior system.
Placed in vertical context:
- P2 = deepest basin core
- R12 = sustained saturation wall
- P1 = upper interior basin
- R9 = oscillatory interior transition
- R8 = chemical dissolution core (this borehole)
- R158 / R20 = transport corridors
- R22 = chemical circulation zone
- P3 = intermittent upper reach
- R21 = saturation ceiling
This placement explains the dominance of solution features paired with moderate biological and sedimentary input.
7. Why R8 Matters
R8 removes any remaining ambiguity about the chemical intensity of the system at mid–upper elevations.
It records:
- Massive chalk dissolution
- Repeated biological activity
- Near-half-column stratigraphic modification
- Frequent hydrological reactivation
These signatures cannot be produced by:
- Rainfall percolation
- Periglacial freeze–thaw
- Soil processes
- Short-lived flooding
They require long-term, water-filled conditions with internal circulation.
8. Closing Interpretation
SU14SW52 (R8) demonstrates that post-glacial water activity at Stonehenge Bottom was:
- Chemically transformative
- Persistent and vertically extensive
- Biologically viable
- Structurally organised
This borehole is not peripheral.
It is one of the chemical engines of the Stonehenge Bottom system.

Borehole Analysis – SU14SW48 (R4), Stonehenge Bottom
The borehole SU14SW48 (R4) records a highly active, biologically productive, and chemically modified interior zone of the Stonehenge Bottom hydrological system. With a ground level of 102.90 m OD and a borehole depth of 20.00 m, it captures repeated water occupation, strong organic accumulation, and significant chalk dissolution at mid–upper elevations.
This borehole is characterised by frequent reactivation and prolonged saturation, rather than by high-energy transport.
1. Event Density and Hydrological Behaviour
A total of 64 discrete water-related horizons are recorded.
For a shallow borehole, this represents extremely high event density, confirming that water repeatedly occupied and reoccupied this elevation. The average measured event size of 0.15 m indicates many short-to-moderate duration events rather than a small number of long floods.
R4 therefore records persistent oscillation within a water-dominated environment.
2. Cumulative Thickness vs Borehole Depth
The cumulative thickness of water-affected material is 8.35 m, representing 41.75% of the total borehole depth.
More than two-fifths of the entire stratigraphic column has been modified by water processes. In chalk geology, this cannot be generated by soil moisture, rainwash, or episodic flooding.
R4 lies well inside the flooded system, not at its margins.
3. Material Composition – Organic–Chemical Interior Regime
The matrix breakdown shows a clear dominance of organic accumulation and chemical dissolution, with transport playing a secondary role.
Organic Staining / Peat
21 bands | 2.93 m thickness
The strongest biological signal in this borehole. Repeated peat and organic accumulation requires sustained waterlogging and viable aquatic conditions.
Solution Features / Voids
9 bands | 3.40 m thickness
Substantial chalk dissolution indicates prolonged saturation and chemical interaction, not transient wetting.
Pebbles / Gravel
10 bands | 0.98 m thickness
Moderate-energy inputs occurring intermittently within an otherwise low-energy environment.
Sand / Silt / Marl
12 bands | 0.67 m thickness
Frequent slack-water deposition between active phases.
Cobbles
2 bands | 0.14 m thickness
Rare higher-energy pulses, short-lived and limited in impact.
Shell Fragments
7 bands | 0.23 m thickness
Clear biological presence and episodic preservation, consistent with stable aquatic conditions interrupted by disturbance.
Flint Sand / Reworked Flint
3 bands | 0.00 m thickness
Recorded reworking events without accumulation, indicating threshold-level energy conditions.
Notably absent is chalk paste / soft chalk, suggesting dissolution dominated over redeposition.
4. Elevation Constraints and System Position
R4’s elevation markers are tightly constrained and informative:
- Highest Flood Evidence: 98.38 m OD
- Highest Below Glacial Top: 98.38 m OD
- Highest Shell Evidence: 94.31 m OD
Floodwater repeatedly reached just below 100 m OD, while shell evidence occurs several metres lower. This separation reflects energy and habitat stratification within the water body, not marginal flooding.
5. Zero-Depth Entries and Event Resolution
A total of 18 zero-depth entries are recorded.
In the context of high event density and substantial cumulative thickness, these represent frequent circulation or flushing phases within an already saturated environment. They reinforce, rather than weaken, the interpretation of near-continuous hydrological activity.
6. Interpretation Within the Stonehenge Bottom System
R4 occupies a biologically active interior shelf zone of the hydrological system.
Placed in vertical context:
- P2 = deepest basin core
- R12 = sustained saturation wall
- P1 = upper interior basin
- R9 = oscillatory interior transition
- R8 = chemical dissolution core
- R4 = organic-rich interior shelf (this borehole)
- R158 / R20 = transport corridors
- R22 = chemical circulation zone
- P3 = intermittent upper reach
- R21 = saturation ceiling
This position explains the dominance of organic material and solution features with limited transport energy.
7. Why R4 Matters
R4 demonstrates that biologically productive, chemically active water bodies extended well into the mid–upper elevations.
It records:
- Persistent peat and organic accumulation
- Extensive chalk dissolution
- Repeated water reactivation
- Significant stratigraphic modification
These signatures cannot be explained by:
- Rainfall infiltration
- Periglacial freeze–thaw
- Soil processes
- Short-lived floods
They require long-term water presence with ecological stability.
8. Closing Interpretation
SU14SW48 (R4) demonstrates that post-glacial water activity at Stonehenge Bottom was:
- Biologically viable
- Chemically transformative
- Vertically extensive
- Internally structured
This borehole is not peripheral.
It is a living shelf within the Stonehenge Bottom water system.

Borehole Analysis – SU14SW91 (R132), Stonehenge Bottom
The borehole SU14SW91 (R132) represents one of the most internally saturated and hydrologically dominated records within the Stonehenge Bottom dataset, despite its comparatively shallow depth. With a ground level of 105.69 m OD and a borehole depth of just 16.00 m, this core captures an extreme expression of post-glacial water interaction in elevated chalk.
What makes R132 exceptional is not scale — but intensity and completeness.
1. Event Density and System Dominance
A total of 19 discrete bands are recorded, all water-related horizons.
At first glance this may appear modest compared to deeper cores, but the crucial point is proportional dominance:
- 96.69 % of the entire borehole is water-affected
- Only one zero-depth entry is recorded
- Average measured event size: 0.82 m — the largest mean event thickness in the Stonehenge Bottom dataset
This is not a record of frequent minor incursions.
It is a record of long-lived, high-impact hydrological phases.
2. Cumulative Thickness vs Borehole Depth
The cumulative water-affected thickness is 15.50 m out of 16.00 m total depth.
That ratio is decisive.
At over 105 m OD, almost the entire subsurface column has been modified by water processes. In chalk terrain, this degree of penetration cannot be produced by:
- surface runoff
- periglacial wash
- seasonal groundwater oscillation
It requires sustained saturation and repeated recharge, sufficient to restructure the chalk fabric itself.
3. Material Composition: Saturation-Led Regime
Unlike transport-dominated cores, R132 shows a dissolution-dominated hydrological signature.
Chalk Paste / Soft Chalk
- 8 bands
- 8.02 m thickness
This is the dominant component by thickness and unequivocal evidence of long-term chalk dissolution and re-precipitation, not mechanical erosion.
Flint Sand / Reworked Flint
- 8 bands
- 6.20 m thickness
Indicates in-situ breakdown and redistribution of flint under water-saturated conditions rather than energetic transport.
Minor Clastic Inputs
- Pebbles / Gravel: 0.63 m
- Sand / Silt / Marl: 0.65 m
- Cobbles: absent
The near-absence of coarse material confirms that this was not a high-energy flow corridor, but a persistently wet chalk environment.
4. Absence of Organic and Void Signatures
Two absences matter here:
- Organic staining / peat: 0.00 m
- Solution voids: 0.00 m
This combination is critical.
It indicates:
- continuous flushing rather than stagnant pooling
- saturation without long-term organic accumulation
- dissolution occurring within a dynamically active water column, not a sealed void system
In other words, water was present and moving, but not ponded.
5. Elevation Constraints
Three elevation markers tightly constrain the hydrological envelope:
- Highest Flood Evidence: 102.69 m OD
- Highest Below Glacial Top: 102.19 m OD
- Highest Shell Evidence: N/A
The proximity of flood evidence to the glacial top marker confirms that water interaction occurred immediately beneath post-glacial surfaces, not as a later deep groundwater phenomenon.
Shell absence is expected in a low-energy saturation regime, and its absence here strengthens — not weakens — the interpretation.
6. Event Character and Temporal Behaviour
With:
- the largest average event size in the dataset
- almost total borehole saturation
- minimal event fragmentation
R132 records fewer but longer-lasting hydrological phases compared to event-rich but thinner sequences such as R9 or R8.
This is the signature of prolonged high water tables, not episodic flooding.
7. Interpretation in the Wider System
R132 occupies a crucial position in the Stonehenge Bottom hydrological model:
- R9 / R8 show high-frequency interaction
- P1 / P2 show thick multi-phase flooding
- R18 / R16 show deep saturation
- R132 shows near-complete shallow saturation at elevation
Together, these define a vertically continuous post-glacial water system, extending from valley base to upper chalk.
8. Why This Borehole Matters
R132 is devastating to any model that relies on:
- “dry chalk downland”
- shallow, inactive vadose zones
- purely localized water effects
At >105 m OD, the chalk was not only wet — it was reworked almost in its entirety.
That cannot be explained away.
9. Closing Interpretation
SU14SW91 (R132) demonstrates that post-glacial water activity at Stonehenge Bottom was:
- vertically pervasive
- long-duration
- dissolution-driven
- structurally transformative
This borehole does not represent an anomaly.
It represents the upper saturation limit of a coherent hydrological system.
And like the others, it fits — mathematically and physically — into a single, unified post-glacial water model.

Borehole Analysis – SU14SW101 (R172), Stonehenge Bottom
The borehole SU14SW101 (R172) records an extreme, low-elevation saturation environment within the Stonehenge Bottom hydrological system. With a ground level of 76.48 m OD and a borehole depth of 30.10 m, it captures one of the most chemically dominated and volumetrically saturated sequences in the entire dataset.
This borehole represents the deepest and most persistent flooded expression of the system.
1. Event Density and Hydrological Behaviour
A total of 18 discrete water-related horizons are recorded.
As with R132, the significance lies not in event count but in event magnitude. The borehole is dominated by very thick individual phases, indicating long-lived water occupation rather than frequent oscillation.
The stratigraphy reflects few interruptions and long residence times.
2. Cumulative Thickness vs Borehole Depth
The cumulative thickness of water-affected material is 29.15 m, representing almost the entire borehole depth.
Only a negligible portion of the column shows any evidence of non-water modification. At this elevation, such dominance is impossible to explain through surface processes or groundwater fluctuation alone.
R172 was structurally submerged for most of its depositional history.
3. Material Composition – Deep Saturation and Dissolution Regime
The matrix is overwhelmingly dominated by chemical water–chalk interaction, with transport playing a secondary role.
Chalk Paste / Soft Chalk
8 bands | 18.45 m thickness
This is the defining signal. Over eighteen metres of chalk paste indicates prolonged dissolution and redeposition under continuous saturation. This is incompatible with episodic flooding or periglacial activity.
Flint Sand / Reworked Flint
2 bands | 3.10 m thickness
Substantial in-situ breakdown and redistribution of flint under water-saturated conditions.
Sand / Silt / Marl
1 band | 3.10 m thickness
A major slack-water depositional phase, consistent with deep, low-energy water.
Pebbles / Gravel
4 bands | 3.80 m thickness
Cobbles
1 band | 0.70 m thickness
Limited but present transport energy, likely during early or transitional flooding phases.
Notably absent are organic staining, shell accumulation, and solution void thickness, indicating deep, persistent water with limited biological productivity and minimal exposure.
4. Elevation Constraints and System Position
R172’s elevation markers are unambiguous:
- Highest Flood Evidence: 49.48 m OD
- Highest Below Glacial Top: 49.48 m OD
- Highest Shell Evidence: N/A
This places R172 firmly within the deep basin core of the Stonehenge Bottom system. Shell absence is expected in such conditions and reinforces interpretation of depth and persistence rather than marginal flooding.
5. Zero-Depth Entries and Event Resolution
Only 1 zero-depth entry is recorded.
This confirms that nearly every hydrological phase produced measurable chemical or sedimentary modification, consistent with a permanently flooded environment.
6. Interpretation Within the Stonehenge Bottom System
R172 occupies the deepest saturation core of the entire system.
Placed in vertical context:
- R172 = deepest basin core (this borehole)
- P2 / R12 = basin interior saturation
- P1 = upper interior basin
- R9 / R4 = oscillatory and biological interior zones
- R8 = chemical dissolution core
- R132 = upper deep-saturation cap
- R158 / R20 = transport corridors
- R22 = circulation zone
- P3 = intermittent upper reach
- R21 = saturation ceiling
R172 anchors the lower boundary condition of the model.
7. Why R172 Matters
R172 closes the system mathematically and physically.
It demonstrates that:
- The lowest elevations were persistently submerged
- Chalk dissolution operated at scale
- Water depth and residence time were extreme
- Dry-land interpretations are untenable at system scale
This borehole removes any remaining argument that the Stonehenge Bottom sequence represents isolated wet patches.
8. Closing Interpretation
SU14SW101 (R172) demonstrates that post-glacial water activity at Stonehenge Bottom was:
- Deep
- Persistent
- Chemically transformative
- Vertically continuous from basin floor to saturation ceiling
This borehole is not just evidence.
It is the foundation of the entire hydrological model.
CONTROL BOREHOLES – RX508A, RX507 and RX510A
We introduced a control.
Borehole RX510A, RX508A, and RX507, drilled on high ground between Stonehenge and Woodhenge, approximately 1.5 km from Stonehenge Bottom, provide a clean baseline against which all valley-floor boreholes can be tested.
And the result is unambiguous.
RX510A shows a thin surface veneer, followed by structurally intact white chalk from ~4.5 m depth downward, continuing monotonously with no stacked gravel, no shell horizons, no marl bands, no chalk paste, no void systems, and no repeated reworking. In short: exactly what dry, stable chalk on an interfluve should look like.
This matters because the accusation has never been that “chalk exists” or that “chalk can be intact”. Everyone agrees on that.
The real question has always been spatial: where is chalk intact, and where is it not?
Valley-floor boreholes at Stonehenge Bottom show a very different signature:
repeated gravel and cobble horizons, shell material, marl and silt bands, chalk paste and softening, voids and solution features, and—critically—these features are stacked vertically, not confined to a single horizon.


RX510A demonstrates that these features are not regional, not universal, and not an artefact of logging practice. They are absent on nearby high ground drilled by the same industry, to the same standards, in the same project corridor.
That single fact destroys the claim that the Stonehenge Bottom record is a “misreading of chalk”.
If periglacial freeze–thaw alone were responsible, we would expect comparable disruption on exposed highs. We do not see it.
If chalk weathering were purely inherited from deep geological time, we would expect continuity across topography. We do not see it.
If the illustrations were “fantasy”, a control borehole would contradict them. It does not — it validates them.
What RX510A actually shows is something far more uncomfortable for traditional narratives:
Water-affected chalk is spatially constrained, intensifying toward the valley floor and diminishing rapidly toward the ridges.
That is not an interpretation.
That is geometry, repetition, and measurement.
This is also why the recent mathematical cross-section analysis matters. Once water-affected thickness is quantified rather than described, subjectivity largely disappears. Descriptions can be debated; percentages and cumulative thickness cannot.
The irony here is hard to miss. Critics argue that these illustrations “bear no resemblance to reality” — yet when presented with a borehole that does match their expectation of chalk reality, it ends up strengthening the case they are trying to dismiss.
RX510A is not a problem for the Stonehenge Bottom hypothesis.
It is the control that proves it.
The blog already publishes full line-by-line borehole descriptions for anyone who wants to check the data themselves. No one is being asked to take this on trust.
This is what scrutiny actually looks like.
PodCast

Author’s Biography
Robert John Langdon, a polymathic luminary, emerges as a writer, historian, and eminent specialist in LiDAR Landscape Archaeology.
His intellectual voyage has interwoven with stints as an astute scrutineer for governmental realms and grand corporate bastions, a tapestry spanning British Telecommunications, Cable and Wireless, British Gas, and the esteemed University of London.
A decade hence, Robert’s transition into retirement unfurled a chapter of insatiable curiosity. This phase saw him immerse himself in Politics, Archaeology, Philosophy, and the enigmatic realm of Quantum Mechanics. His academic odyssey traversed the venerable corridors of knowledge hubs such as the Museum of London, University College London, Birkbeck College, The City Literature Institute, and Chichester University.
In the symphony of his life, Robert is a custodian of three progeny and a pair of cherished grandchildren. His sanctuary lies ensconced in the embrace of West Wales, where he inhabits an isolated cottage, its windows framing a vista of the boundless sea – a retreat from the scrutinous gaze of the Her Majesty’s Revenue and Customs, an amiable clandestinity in the lap of nature’s embrace.
Exploring Prehistoric Britain: A Journey Through Time
My blog delves into the fascinating mysteries of prehistoric Britain, challenging conventional narratives and offering fresh perspectives based on cutting-edge research, particularly using LiDAR technology. I invite you to explore some key areas of my research. For example, the Wansdyke, often cited as a defensive structure, is re-examined in light of new evidence. I’ve presented my findings in my blog post Wansdyke: A British Frontier Wall – ‘Debunked’, and a Wansdyke LiDAR Flyover video further visualizes my conclusions.
My work also often challenges established archaeological dogma. I argue that many sites, such as Hambledon Hill, commonly identified as Iron Age hillforts are not what they seem. My posts Lidar Investigation Hambledon Hill – NOT an ‘Iron Age Fort’ and Unmasking the “Iron Age Hillfort” Myth explore these ideas in detail and offer an alternative view. Similarly, sites like Cissbury Ring and White Sheet Camp, also receive a re-evaluation based on LiDAR analysis in my posts Lidar Investigation Cissbury Ring through time and Lidar Investigation White Sheet Camp, revealing fascinating insights into their true purpose. I have also examined South Cadbury Castle, often linked to the mythical Camelot56.
My research also extends to the topic of ancient water management, including the role of canals and other linear earthworks. I have discussed the true origins of Car Dyke in multiple posts including Car Dyke – ABC News PodCast and Lidar Investigation Car Dyke – North Section, suggesting a Mesolithic origin2357. I also explore the misidentification of Roman aqueducts, as seen in my posts on the Great Chesters (Roman) Aqueduct. My research has also been greatly informed by my post-glacial flooding hypothesis which has helped to inform the landscape transformations over time. I have discussed this hypothesis in several posts including AI now supports my Post-Glacial Flooding Hypothesis and Exploring Britain’s Flooded Past: A Personal Journey
Finally, my blog also investigates prehistoric burial practices, as seen in Prehistoric Burial Practices of Britain and explores the mystery of Pillow Mounds, often mistaken for medieval rabbit warrens, but with a potential link to Bronze Age cremation in my posts: Pillow Mounds: A Bronze Age Legacy of Cremation? and The Mystery of Pillow Mounds: Are They Really Medieval Rabbit Warrens?. My research also includes the astronomical insights of ancient sites, for example, in Rediscovering the Winter Solstice: The Original Winter Festival. I also review new information about the construction of Stonehenge in The Stonehenge Enigma.
Further Reading
For those interested in British Prehistory, visit www.prehistoric-britain.co.uk, a comprehensive resource featuring an extensive collection of archaeology articles, modern LiDAR investigations, and groundbreaking research. The site also includes insights and extracts from the acclaimed Robert John Langdon Trilogy, a series of books exploring Britain during the Prehistoric period. Titles in the trilogy include The Stonehenge Enigma, Dawn of the Lost Civilisation, and The Post Glacial Flooding Hypothesis, offering compelling evidence about ancient landscapes shaped by post-glacial flooding.
To further explore these topics, Robert John Langdon has developed a dedicated YouTube channel featuring over 100 video documentaries and investigations that complement the trilogy. Notable discoveries and studies showcased on the channel include 13 Things that Don’t Make Sense in History and the revelation of Silbury Avenue – The Lost Stone Avenue, a rediscovered prehistoric feature at Avebury, Wiltshire.
In addition to his main works, Langdon has released a series of shorter, accessible publications, ideal for readers delving into specific topics. These include:
- The Ancient Mariners
- Stonehenge Built 8300 BCE
- Old Sarum
- Prehistoric Rivers
- Dykes, Ditches, and Earthworks
- Echoes of Atlantis
- Homo Superior
- 13 Things that Don’t Make Sense in History
- Silbury Avenue – The Lost Stone Avenue
- Offa’s Dyke
- The Stonehenge Enigma
- The Post-Glacial Flooding Hypothesis
- The Stonehenge Hoax
- Dawn of the Lost Civilisation
- Darwin’s Children
- Great Chester’s Roman Aqueduct
- Wansdyke
For active discussions and updates on the trilogy’s findings and recent LiDAR investigations, join our vibrant community on Facebook. Engage with like-minded enthusiasts by leaving a message or contributing to debates in our Facebook Group.
Whether through the books, the website, or interactive videos, we aim to provide a deeper understanding of Britain’s fascinating prehistoric past. We encourage you to explore these resources and uncover the mysteries of ancient landscapes through the lens of modern archaeology.
For more information, including chapter extracts and related publications, visit the Robert John Langdon Author Page. Dive into works such as The Stonehenge Enigma or Dawn of the Lost Civilisation, and explore cutting-edge theories that challenge traditional historical narratives.
Other Blogs
1
a
- AI now Supports – Homo Superior
- AI now supports my Post-Glacial Flooding Hypothesis
- Alexander the Great sailed into India – where no rivers exist today
- Ancient Secrets of Althorp – debunked
- Antler Picks built Ancient Monuments – yet there is no real evidence
- Antonine Wall – Prehistoric Canals (Dykes)
- Archaeological ‘pulp fiction’ – has archaeology turned from science?
- Archaeological Pseudoscience
- Archaeology in the Post-Truth Era
- Archaeology: A Bad Science?
- Archaeology: A Harbour for Fantasists?
- Archaeology: Fact or Fiction?
- Archaeology: The Flaws of Peer Review
- Archaeology’s Bayesian Mistake: Stop Averaging the Past
- Are Raised Beaches Archaeological Pseudoscience?
- Atlantis Found: The Mathematical Proof That Plato’s Lost City Was Doggerland
- ATLANTIS: Discovery with Dan Snow Debunked
- Avebury Ditch – Avebury Phase 2
- Avebury through time
- Avebury’s great mystery revealed
- Avebury’s Lost Stone Avenue – Flipbook
b
- Battlesbury Hill – Wiltshire
- Beyond Stone and Bone: Rethinking the Megalithic Architects of Northern Europe
- BGS Prehistoric River Map
- Blackhenge: Debunking the Media misinterpretation of the Stonehenge Builders
- Brain capacity (Cro-Magnon Man)
- Britain’s First Road – Stonehenge Avenue
- Britain’s Giant Prehistoric Waterways
- British Roman Ports miles away from the coast
c
- Caerfai Promontory Fort – Archaeological Nonsense
- Car Dyke – ABC News PodCast
- Car Dyke – North Section
- CASE STUDY – An Inconvenient TRUTH (Craig Rhos Y Felin)
- Case Study – River Avon
- Case Study – Woodhenge Reconstruction
- Chapter 2 – Craig Rhos-Y-Felin Debunked
- Chapter 2 – Stonehenge Phase I
- Chapter 2 – Variation of the Species
- Chapter 3 – Post Glacial Sea Levels
- Chapter 3 – Stonehenge Phase II
- Chapter 7 – Britain’s Post-Glacial Flooding
- Cissbury Ring through time
- Clement Reid, Doggerland, and the Archaeological Establishment
- Cro-Magnon Brain Capacity
- Cro-Magnon Megalithic Builders: Measurement, Biology, and the DNA
- Cro-Magnons – An Explainer
d
- Darwin’s Children – Flipbook
- Darwin’s Children – The Cro-Magnons
- Dawn of the Lost Civilisation – Flipbook
- Dawn of the Lost Civilisation – Introduction
- Digging for Britain – Cerne Abbas
- Digging for Britain Debunked – Cerne Abbas 2
- Digging Up Britain’s Past – Debunked
- DLC Chapter 1 – The Ascent of Man
- Durrington Walls – Woodhenge through time
- Durrington Walls Revisited: Platforms, Fish Traps, and a Managed Mesolithic Landscape
- Dyke Construction – Hydrology 101
- Dykes Ditches and Earthworks
- DYKES of Britain
e
f
g
h
- Hadrian’s Wall – Military Way Hoax
- Hadrian’s Wall – the Stanegate Hoax
- Hadrian’s Wall LiDAR investigation
- Hambledon Hill – NOT an ‘Iron Age Fort’
- Hayling Island Lidar Maps
- Hidden Sources of Ancient Dykes: Tracing Underground Groundwater Fractals
- Historic River Avon
- Hollingsbury Camp Brighton – A Hillfort… or a Forgotten Harbour?
- Hollows, Sunken Lanes and Palaeochannels
- Homo Superior – Flipbook
- Homo Superior – History’s Giants
- How Lidar will change Archaeology
- Hydrology 101 Simplified: Why Britain’s Dykes Worked Without Rivers
i
l
m
- Maiden Castle through time
- Mathematics Meets Archaeology: Discovering the Mesolithic Origins of Car Dyke
- Mesolithic River Avon
- Mesolithic Stonehenge
- Minerals found in Prehistoric and Roman Quarries
- Mining in the Prehistoric to Roman Period
- Mount Caburn through time
- Mysteries of the Oldest Boatyard Uncovered
- Mythological Dragons – a non-existent animal that is shared by the World.
o
- Offa’s Dyke Flipbook
- Old Sarum Lidar Map
- Old Sarum Through Time…………….
- On Sunken Lands of the North Sea – Lived the World’s Greatest Civilisation.
- OSL Chronicles: Questioning Time in the Geological Tale of the Avon Valley
- Oswestry LiDAR Survey
- Oswestry through time
- Oysters in Archaeology: Nature’s Ancient Water Filters?
p
- Pillow Mounds: A Bronze Age Legacy of Cremation?
- Post Glacial Flooding – Flipbook
- Prehistoric Burial Practices of Britain
- Prehistoric Canals – Wansdyke
- Prehistoric Canals – Wansdyke
- Prehistoric Canals (Dykes) – Great Chesters Aqueduct (The Vallum Pt. 4)
- Prehistoric Canals (Dykes) – Hadrian’s Wall Vallum (pt 1)
- Prehistoric Canals (Dykes) – Offa’s Dyke (Chepstow)
- Prehistoric Canals (Dykes) – Offa’s Dyke (LiDAR Survey)
- Prehistoric Canals (Dykes) – Offa’s Dyke Survey (End of Section A)
- Prehistoric Canals (Dykes) – Wansdyke (4)
- Prehistoric Canals Wansdyke 2
- Professor Bonkers and the mad, mad World of Archaeology
r
- Real-World Confirmation of Post-Glacial Flooding
- Rebirth in Stone: Decrypting the Winter Solstice Legacy of Stonehenge
- Rediscovering the Winter Solstice: The Original Winter Festival
- Rethinking Ancient Boundaries: The Vallum and Offa’s Dyke”
- Rethinking Ogham: Could Ireland’s Oldest Script Have Begun as a Tally System?
- Rethinking The Past: Mathematical Proof of Langdon’s Post-Glacial Flooding Hypothesis
- Revolutionising History: Car Dyke Unveiled as Prehistoric & the Launch of FusionBook 360
- Rising Evidence, Falling Rivers: The Real Story of Europe’s First Farmers
- Rivers of the Past Were Higher: A Fresh Perspective on Prehistoric Hydrology
s
- Sea Level Changes
- Section A – NY26SW
- Section B – NY25NE & NY26SE
- Section C – NY35NW
- Section D – NY35NE
- Section E – NY46SW & NY45NW
- Section F – NY46SE & NY45NE
- Section G – NY56SW
- Section H – NY56NE & NY56SE
- Section I – NY66NW
- Section J – NY66NE
- Section K – NY76NW
- Section L – NY76NE
- Section M – NY87SW & NY86NW
- Section N – NY87SE
- Section O – NY97SW & NY96NW
- Section P – NY96NE
- Section Q – NZ06NW
- Section R – NZ06NE
- Section S – NZ16NW
- Section T – NZ16NE
- Section U – NZ26NW & NZ26SW
- Section V – NZ26NE & NZ26SE
- Silbury Avenue – Avebury’s First Stone Avenue
- Silbury Hill
- Silbury Hill / Sanctuary – Avebury Phase 3
- Sky Maps of Prehistoric Britain
- Somerset Plain – Signs of Post-Glacial Flooding
- South Cadbury Castle – Camelot
- Statonbury Camp near Bath – an example of West Wansdyke
- Stone me – the druids are looking the wrong way on Solstice day
- Stone Transportation and Dumb Censorship
- Stonehenge – Monument to the Dead
- Stonehenge Hoax – Dating the Monument
- Stonehenge Hoax – Round Monument?
- Stonehenge Hoax – Summer Solstice
- Stonehenge LiDAR tour
- Stonehenge Phase 1 — Britain’s First Monument
- Stonehenge Phase I (The Stonehenge Landscape)
- Stonehenge Solved – Pythagorean maths put to use 4,000 years before he was born
- Stonehenge Through Time
- Stonehenge, Doggerland and Atlantis connection
- Stonehenge: Borehole Evidence of Post-Glacial Flooding
- Stonehenge: Discovery with Dan Snow Debunked
- Stonehenge: The Worlds First Computer
- Stonehenge’s The Lost Circle Revealed – DEBUNKED
t
- Ten Reasons Why Car Dyke Blows Britain’s Earthwork Myths Out of the Water
- Ten Things You Didn’t Know About Britain’s Prehistoric Flooded Past
- Ten thousand year old boats found on Northern Europe’s Hillsides
- Ten thousand-year-old boats found on Northern Europe’s Hillsides
- The “Hunter-Gatherer” Myth: Why It’s Time to Bury This Outdated Term
- The Ancient Mariners – Flipbook
- The Ancient Mariners – Prehistoric seafarers of the Mesolithic
- The Ascent of Man — From Survival to Systems
- The Beringian Migration Myth: Why the Peopling of the Americas by Foot is Mathematically and Logistically Impossible
- The Bluestone Enigma
- The Cheddar Man Hoax
- The Cro-Magnon Cover-Up: How DNA and PR Labels Erased Our Real Ancestry
- The Dolmen and Long Barrow Connection
- The Durrington Walls Hoax – it’s not a henge?
- The Dyke Myth Collapses: Excavation and Dating Prove Britain’s Great Dykes Are Prehistoric Canals
- The First European Smelted Bronzes
- The Fury of the Past: Natural Disasters in Historical and Prehistoric Britain
- The Giant’s Graves of Cumbria
- The Giants of Prehistory: Cro-Magnon and the Ancient Monuments
- The Great Antler Pick Hoax
- The Great Chichester Hoax – A Bridge too far?
- The Great Dorchester Aqueduct Hoax
- The Great Farming Hoax – (Einkorn Wheat)
- The Great Farming Migration Hoax
- The Great Hadrian’s Wall Hoax
- The Great Iron Age Hill Fort Hoax
- The Great Offa’s Dyke Hoax
- The Great Prehistoric Migration Hoax
- The Great Stone Transportation Hoax
- The Great Stonehenge Hoax
- The Great Wansdyke Hoax
- The Henge and River Relationship
- The Logistical Impossibility of Defending Maiden Castle
- The Long Barrow and Dolman Enigma
- The Long Barrow Mystery
- The Long Barrow Mystery: Unravelling Ancient Connections
- The Lost Island of Avalon – revealed
- The Maiden Way Hoax – A Closer Look at an Ancient Road’s Hidden History
- The Maths – LGM total ice volume
- The Mystery of Pillow Mounds: Are They Really Medieval Rabbit Warrens?
- The Old Sarum Hoax
- The Oldest Boat Yard in the World found in Wales
- The Perils of Paradigm Shifts: Why Unconventional Hypotheses Get Branded as Pseudoscience
- The Post-Glacial Flooding Hypothesis – Flipbook
- The Post-Glacial Flooding Theory
- The Problem with Hadrian’s Vallum
- The Rise of the Cro-Magnon (Homo Superior)
- The Roman Military Way Hoax
- The Silbury Hill Lighthouse?
- The Stone Money – Credit System
- The Stonehenge Avenue
- The Stonehenge Avenue
- The Stonehenge Code: Unveiling its 10,000-Year-Old Secret
- The Stonehenge Crescent: A Monument to a Lost World
- The Stonehenge Enigma – Flipbook
- The Stonehenge Enigma: What Lies Beneath? – Debunked
- The Stonehenge Hoax – Bluestone Quarry Site
- The Stonehenge Hoax – Flipbook
- The Stonehenge Hoax – Moving the Bluestones
- The Stonehenge Hoax – Periglacial Stripes
- The Stonehenge Hoax – Station Stones
- The Stonehenge Hoax – Stonehenge’s Location
- The Stonehenge Hoax – The Ditch
- The Stonehenge Hoax – The Slaughter Stone
- The Stonehenge Hoax – The Stonehenge Layer
- The Stonehenge Hoax – Totem Poles
- The Stonehenge Hoax – Woodhenge
- The Stonehenge Hospital
- The Stonehenge Transportation Mystery
- The Subtropical Britain Hoax
- The Troy, Hyperborea and Atlantis Connection
- The Vallum @ Hadrian’s Wall – it’s Prehistoric!
- The Vallum at Hadrian’s Wall (Summary)
- The Woodhenge Hoax
- Three Dykes – Kidland Forest
- Top Ten Misidentified Fire Beacons in British History
- Troy Debunked – Troy did not exist in Asia Minor, but in fact, the North Sea island of Doggerland
- TSE – DVD Barrows
- TSE DVD – An Inconvenient Truth
- TSE DVD – Antler Picks
- TSE DVD – Avebury
- TSE DVD – Durrington Walls & Woodhenge
- TSE DVD – Dykes
- TSE DVD – Epilogue
- TSE DVD – Stonehenge Phase I
- TSE DVD – Stonehenge Phase II
- TSE DVD – The Post-Glacial Hypothesis
- TSE DVD Introduction
- TSE DVD Old Sarum
- Twigs, Charcoal, and the Death of the Saxon Dyke Myth
w
- Wansdyke – Short Film
- Wansdyke East – Prehistoric Canals
- Wansdyke Flipbook
- Wansdyke LiDAR Flyover
- Wansdyke: A British Frontier Wall – ‘Debunked’
- Was Columbus the first European to reach America?
- What Archaeology Missed Beneath Stonehenge
- White Sheet Camp
- Why a Simple Fence Beats a Massive Dyke (and What That Means for History)
- Windmill Hill – Avebury Phase 1
- Winter Solstice – Science, Propaganda and Indoctrination
- Woodhenge – the World’s First Lighthouse?
